Curiosii for ever!: Car repair manuals for everyone.

8. Gearshift Lever Case Replacement

Removal Procedure





1. Remove the following components from the bottom of the gearshift lever case:
1.1. The four screws (2, 3)
1.2. The gearshift lever case plate (1)

Important: The left side of the gearshift lever case contains an inner and an outer select return spring. The right side of the gearshift lever case contains only one select return spring. Note the location of these springs in order to ensure correct assembly.





2. Remove the following components from the gearshift lever case:
2.1. The two select return spring bolts (1)
2.2. The three select return springs (2)
2.3. The two select guide pins (3)





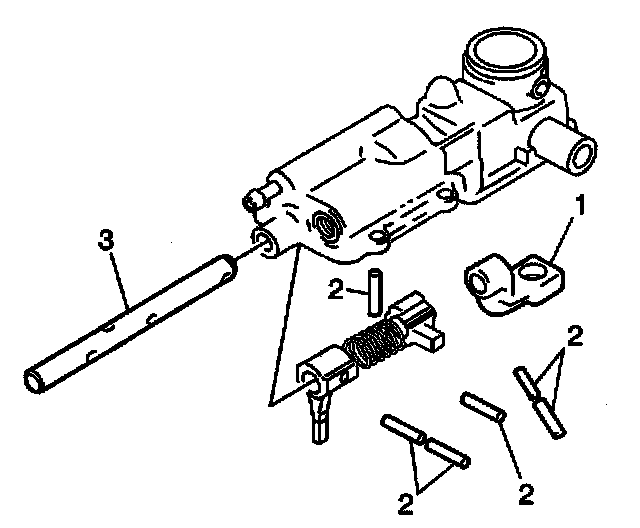
3. Remove the following components from the gearshift shaft (3):
3.1. One inner roll pin and one outer roll pin (2)
3.2. The gearshift arm (1)





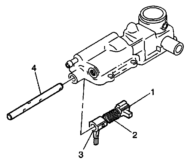
4. Remove the gearshift control [ever bushing (1) from the gearshift arm (2).





5. Remove one roll pin (1) from the gearshift shaft (2) in order to release tension on the gearshift limit spring (3).





6. Remove the following components from the gearshift lever (2):
^ One inner roll pin
^ One outer roll pin
7. Remove one roll pin from the reverse gearshift limit yoke (1).
8. Unstake the gearshift lever case plug.





9. Remove the gearshift lever case plug (1) from the gearshift lever case (2).





10. Remove the gearshift shaft (4) from the gearshift lever case while removing the following components from the gearshift shaft:
10.1. The gearshift lever (3)
10.2. The reverse gearshift limit yoke (1)
10.3. The gearshift limit spring (2)





11. Remove the gearshift limit bolt (1) from the gearshift lever case.





12. Remove the following components from the gearshift lever case:
12.1. The two lever locating bolts (1)
12.2. The two washers (2)





13. Remove the gearshift lever case seat (1) from the gearshift lever case.
14. Clean the gearshift lever case mating surfaces.
15. Use solvent in order to clean all of the gearshift lever case components. Air dry the components.
16. Inspect the gearshift shaft:
16.1. Insert the gearshift shaft into the gearshift lever case.
16.2. Move the gearshift shaft back and forth. Ensure that the gearshift shaft does not bind.
16.3. If the gearshift shaft does not move freely in and out of the gearshift lever case, replace the gearshift lever case and the gearshift shaft.
17. Inspect the following components for smooth fit and movement on the gearshift shaft:
^ The gearshift lever
^ The reverse gearshift limit yoke
^ The gearshift arm
If any of these components bind on the gearshift shaft, replace them all.
18. Inspect the gearshift limit spring for weakness or distortion. Replace as necessary.
19. Inspect the gearshift control lever bushing for excessive wear. Replace as necessary.
20. Inspect the gearshift lever case seat for excessive wear. Replace as necessary.

Installation Procedure

^ Tools Required
^ J 36850 Transjel(R) Transmission Assembly Lubricant





1. Apply a thin coat of J 36850 to all of the components prior to assembly.
2. Install the gearshift lever case seat into the gearshift lever case.
3. Install the following components into the gearshift lever case:
3.1. The two lever locating bolts (1)
3.2. The washers (2)
^ Tighten the lever locating bolts to 20 Nm (15 ft. lbs.).

Notice: Refer to Fastener Notice in General Information.





4. Install the reverse gearshift limit bolt (1) into the gearshift lever case.
^ Tighten the reverse gearshift limit bolt to 35 Nm (26 ft. lbs.).

Important: Position the portion of the gearshift shaft which has been machined flat so that it faces downward, toward the inside of the gearshift lever case, in order to ensure correct installation.





5. Install the gearshift shaft (4) into the gearshift lever case while installing the following components onto the gearshift shaft:
5.1. The gearshift lever (3)
5.2. The reverse gearshift limit yoke (1)
5.3. The gearshift limit spring (2)
6. Install the gearshift lever case plug into the gearshift lever case.
7. Stake the gearshift lever case plug in two places.
8. Install one roll pin into the reverse gearshift limit yoke.





9. Install the following components into the gearshift arm (1) and the gearshift shaft:
^ One inner roll pin
^ One outer roll pin
10. Install one roll pin into the gearshift shaft in order to retain tension on the gearshift limit spring.
11. Install the gearshift control lever bushing into the gearshift arm.
12. Install one inner and one outer roll pin into the gearshift arm and the gearshift shaft.





13. Attach the hooked end of the gearshift limit spring (3) around the roll pin (1). Wind the gearshift limit spring until the straight end can be fitted into the groove on the reverse gearshift limit yoke.





14. Install the following components into the gearshift lever case:
14.1. The two select guide pins (3)
14.2. The three select return springs (2)
14.3. The two select return spring bolts (1)
^ Tighten the select return spring bolts to 23 Nm (17 ft. lbs.).
15. Apply Loctite(TM) 414 GM P/N 1345493 or equivalent to the threaded portion of the reverse gearshift limit bolt.





16. Apply Loctite(TM) 599 RTV silicone sealer or equivalent to the gearshift lever case plate mating surface (1) on the gearshift lever case (2).
17. Install the gearshift lever case plate (3) onto the bottom of the gearshift lever case (2). Secure the gearshift lever case plate (3) with the four screws.