Curiosii for ever!
: Car repair manuals for everyone.
Home
>>
Chevy Truck
>>
2003
>>
SSR V8-5.3L VIN P
>>
Repair and Diagnosis
>>
Body and Frame
>>
Relays and Modules - Body and Frame
>>
Memory Positioning Module
>>
Locations
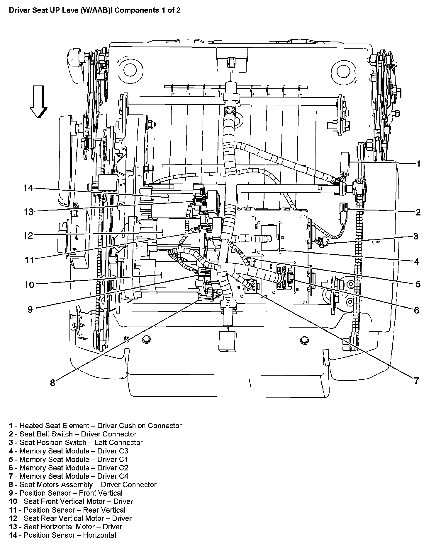
Memory Positioning Module: Locations
Driver Seat UP Level (With RPO Code AAB) Components (Part 1):