Curiosii for ever!: Car repair manuals for everyone.

Electronic Brake Control Module: Service and Repair

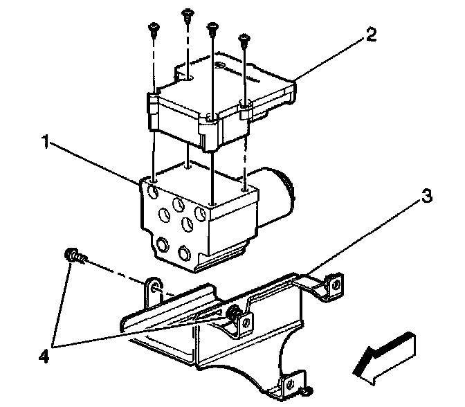
Electronic Brake Control Module (EBCM) Replacement

Removal Procedure

Important: After installation, calibrate the new EBCM to the tire size that is appropriate to the vehicle.

1. Disconnect the negative battery cable.
2. Raise and suitably support the vehicle. Refer to Vehicle Lifting.

Important: The area around the EHCU MUST be free from loose dirt to prevent contamination of disassembled ABS components.







3. Thoroughly wash all contaminants from around the EBCM.







4. For cutaway vehicles. remove the splash shield.
5. Disconnect the electrical connectors from the EBCM.







6. Remove the mounting screws that fasten the EBCM (2) to the BPMV (1).
7. Remove the EBCM (2) from the BPMV (1). Removal may require a light amount of force.
8. Clean the BPMV to EBCM mounting surfaces with a clean cloth.



Installation Procedure

Important: Do not use RTV or any other type of sealant on the EBCM gasket or mating surfaces.







1. Install the EBCM (2) on to the BPMV (1).

Notice: Refer to Fastener Notice in Service Precautions.
Fastener Notice

Fastener Notice

2. Install the screws to the EBCM (2).
Tighten the screws to 5 Nm (44 inch lbs.) in an X-pattern.







3. Connect the electrical connectors to the EBCM.







4. For cutaway vehicles. install the splash shield.
Tighten the splash shield bolts to 25 Nm (18 ft. lbs.).

5. Lower the vehicle.
6. Connect the negative battery cable.
7. Revise the tire calibration using the Scan Tool Tire Size Calibration function
8. Verify correct system operation.