Curiosii for ever!: Car repair manuals for everyone.

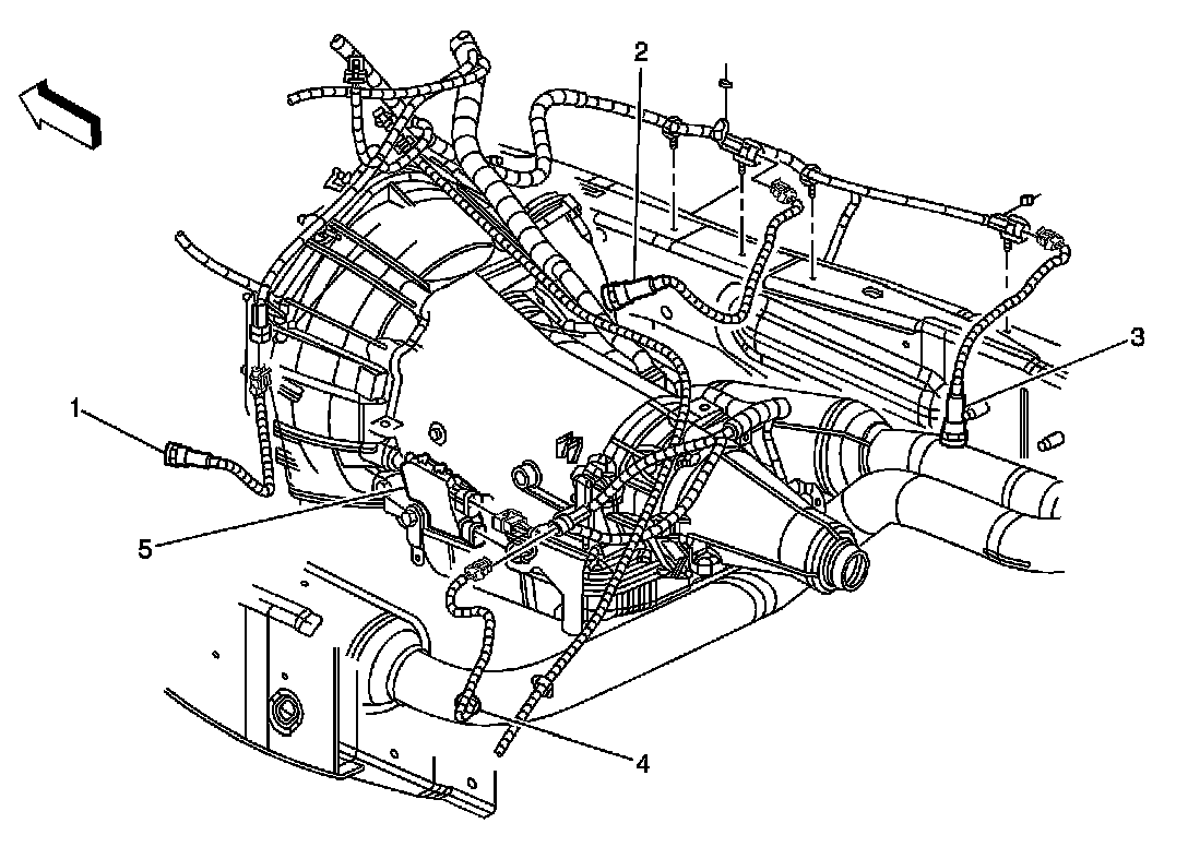
Oxygen Sensor: Locations








1. Heated Oxygen Sensor (HO2S) Bank 1 Sensor 1
2. Heated Oxygen Sensor (HO2S) Bank 2 Sensor 1
3. Heated Oxygen Sensor (HO2S) Bank 2 Sensor 2
4. Heated Oxygen Sensor (HO2S) Bank 1 Sensor 2
5. Park/Neutral Position (PNP) Switch