Curiosii for ever!
: Car repair manuals for everyone.
Home
>>
Chevy Truck
>>
2003
>>
Express 3/4 Ton Van AWD V8-5.3L VIN T
>>
Repair and Diagnosis
>>
Diagrams
>>
Exploded Views
>>
Engine
>>
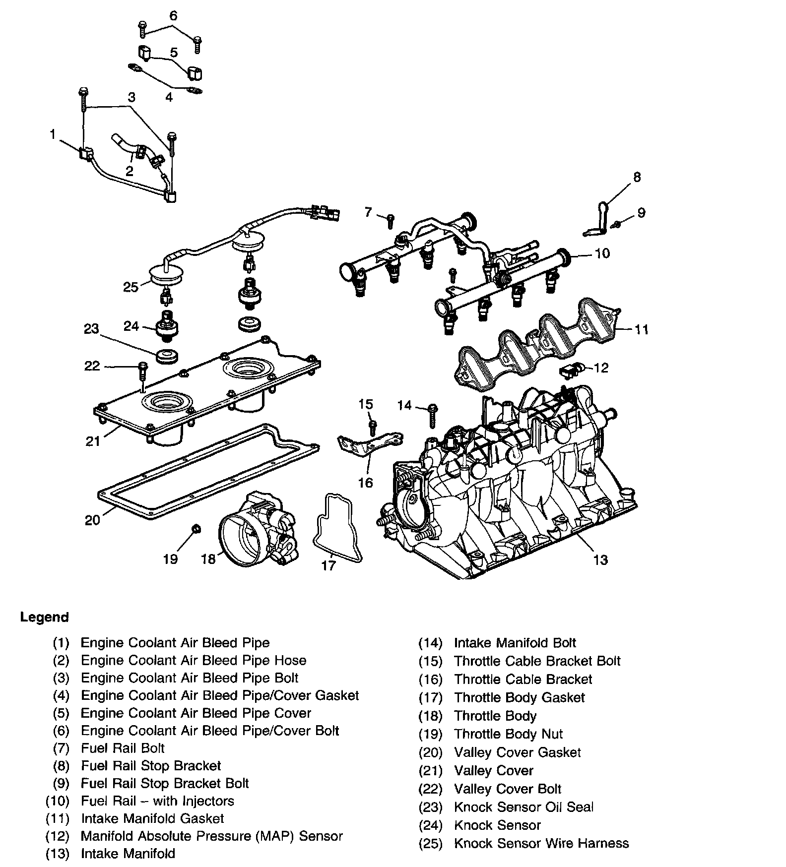
Intake Manifold/Upper Engine
Intake Manifold/Upper Engine