Curiosii for ever!: Car repair manuals for everyone.

Electronic Throttle Control Module: Service and Repair

THROTTLE ACTUATOR CONTROL (TAC) MODULE REPLACEMENT







REMOVAL PROCEDURE
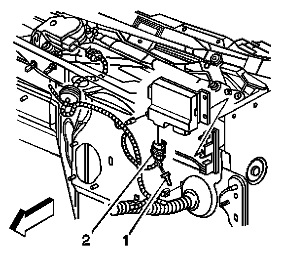
1. Disconnect the instrument panel (I/P) harness electrical connector (2).







2. Release the red connector position assurance (CPA) retainer.
3. Disconnect the engine wiring harness electrical connector (1).







4. Remove the throttle actuator control (TAC) module nuts.
5. Remove the TAC module.







INSTALLATION PROCEDURE
1. Install the TAC module.

NOTE: Refer to Fastener Notice in Service Precautions Fastener Notice.

2. Install the TAC module nuts.

Tighten
Tighten the nuts to .................................9 N.m (80 lb in).







3. Connect the engine wiring harness electrical connector (1).
4. Install the red CPA retainer.







5. Connect the I/P harness electrical connector (2).