Curiosii for ever!: Car repair manuals for everyone.

Fuel System

FUEL SYSTEM OVERVIEW
The fuel tank stores the fuel supply. An electric fuel pump, located in the fuel tank with the fuel sender assembly, pumps fuel through an in-line fuel filter to the fuel rail assembly. The pump provides fuel at a pressure more than is needed by the injectors. The fuel pressure regulator, part of the fuel rail assembly, keeps fuel available to the injectors at a regulated pressure. A separate pipe returns unused fuel to the fuel tank.

FUEL TANKS
The fuel tanks store the fuel supply. The primary fuel tank is located in the rear of the vehicle on the left side. On dual-tank applications, the secondary fuel tank is located in the rear of the vehicle above the spare tire. The fuel tanks are each held in place by 2 metal straps that attach to the frame. The fuel tanks are molded from high density polyethylene.

FUEL FILL PIPE

Fuel Fill Tee:




The fuel fill pipe has a built-in restrictor in order to prevent refueling with leaded fuel. When refueling dual tank applications, fuel is dispensed to the fill pipe, and over a tee fitting (1) on the rear tank. The tee fitting is configured such that approximately 80% of the fuel runs to the front tank (2), while 20% drops down in the rear tank (3). As the front tank achieves a full condition, the fill vent is obstructed, by raising fuel, which no longer allows fuel to enter the tank, i.e. the inability to vent the tank causes fuel to back up to the tee. At this point, the rear fuel tank receives 100% of the dispensed fuel until such time as the rear fuel tank vent is obstructed by the raising fuel. Once the fill vents are obstructed, fuel backs up the fill pipe and trips the dispensing nozzle. If the flow of fuel into the tanks exceeds the ability of the system to compensate, the fill nozzle will automatically shut off and the system will require 10-20 seconds to equalizer pressure before filling can resume. The front fuel tank vent runs into the rear tank to the top of the filler pipe assembly, which in turn vents to atmosphere. The fuel tank vent valves are connected and route to the canister to collect hydrocarbon emissions during operation of the vehicle.

FUEL FILLER CAP

NOTE: If a fuel tank filler cap requires replacement, use only a fuel tank filler cap with the same features. Failure to use the correct fuel tank filler cap can result in a serious malfunction of the fuel and EVAP system.

Fuel Filler Cap:




The fuel fill pipe has a tethered fuel filler cap. A torque-limiting device prevents the cap from being over tightened. To install the cap, turn the cap clockwise until you hear audible clicks. This indicates that the cap is correctly torqued and fully seated. A built-in device indicates that the fuel filler cap is fully seated.

A fuel filler cap that is not fully seated may cause a malfunction in the emission system.

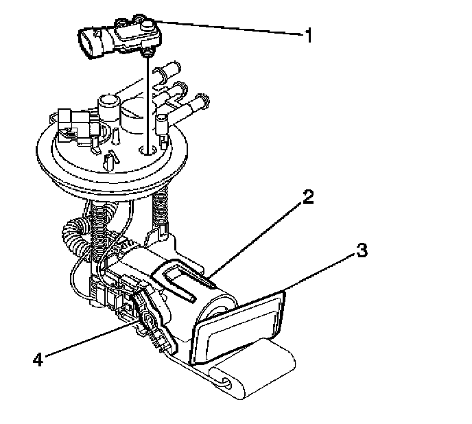
FUEL SENDER ASSEMBLY




The fuel sender assembly on single tank applications consists of the following major components:
- The fuel level sensor (6)
- The fuel tank pressure (FTP) sensor (1)
- The fuel tank fuel pump module (2)
- The fuel strainer (3)




The primary fuel sender on dual tank applications consists of the following major components:
- The fuel level sensor (2)
- The fuel tank fuel pump module (4)
- The fuel strainer (5)




The secondary fuel sender on dual tank applications consists of the following major components:
- The fuel level sensor (4)
- The FTP sensor (1)
- The secondary fuel pump (2)

FUEL LEVEL SENSOR




The fuel level sensor consists of a float, a wire float arm, and a ceramic resistor cord. The position of the float arm indicates the fuel level. The fuel level sensor contains a variable resistor which changes resistance in correspondence with the amount of fuel in the fuel tank. The powertrain control module (PCM) sends the fuel level information via the class 2 circuit to the instrument panel (IP) cluster. This information is used for the IP fuel gage and the low fuel warning indicator, if applicable. The PCM also monitors the fuel level input for various diagnostics.

PRIMARY FUEL PUMP
The primary fuel pump is mounted in the fuel sender assembly reservoir. The primary fuel pump is an electric high pressure pump. Fuel is pumped to the fuel rail at a specified flow and pressure. Excess fuel from the fuel rail assembly returns to the fuel tank through the fuel return pipe. The fuel pump delivers a constant flow of fuel to the engine even during low fuel conditions and aggressive vehicle maneuvers. The PCM controls the electric fuel pump operation through a fuel pump relay. The fuel pump flex pipe acts to dampen the fuel pulses and noise generated by the fuel pump.

SECONDARY FUEL PUMP-DUAL TANK APPLICATIONS ONLY
On dual tank applications, The secondary fuel pump is located in the secondary fuel tank. The secondary fuel pump is powered by a secondary fuel pump relay when the fuel level drops below a predetermined value. Fuel is transferred from the secondary fuel tank to the primary fuel tank in order to ensure all of the usable fuel volume is available to the primary fuel pump. The secondary fuel pump relay supply voltage is received from the primary fuel pump relay when the primary fuel pump is energized.

FUEL STRAINER
The fuel strainer attaches to the lower end of the fuel sender. The fuel strainer is made of woven plastic. The functions of the fuel strainer are to filter contaminants and to wick fuel. The fuel strainer is self-cleaning and normally requires no maintenance. Fuel stoppage at this point indicates that the fuel tank contains an abnormal amount of sediment or water.

IN-LINE FUEL FILTER




The fuel filter is located on the fuel feed pipe, between the fuel pump and the fuel injectors. The paper filter element (2) traps particles in the fuel that may damage the fuel injection system. The filter housing (1) is made to withstand maximum fuel system pressure, exposure to fuel additives, and changes in temperature.

FUEL FEED AND RETURN PIPES
The fuel feed pipe carries fuel from the fuel tank to the fuel rail assembly. The fuel return pipe carries fuel from the fuel rail assembly back to the fuel tank.

The fuel pipes consist of 2 sections:
- The rear fuel pipe assemblies are located from the top of the fuel tank to the chassis fuel pipes. The rear fuel pipes are constructed of nylon.
- The chassis fuel pipes are located under the vehicle and connect the rear fuel pipes to the fuel rail pipes. These pipes are constructed of steel with sections of rubber hose covered with braiding.

NYLON FUEL PIPES
Nylon pipes are constructed to withstand maximum fuel system pressure, exposure to fuel additives, and changes in temperature. There are 3 sizes of nylon pipes used: 9.53 mm (3/8 in) ID for the fuel feed, 3.175 mm (5/16 in) ID for the fuel return, and 127 mm (1/2 in) ID for the vent. Heat resistant rubber hose or corrugated plastic conduit protect the sections of the pipes that are exposed to chafing, high temperature, or vibration. Nylon fuel pipes are somewhat flexible and can be formed around gradual turns under the vehicle. However, if nylon fuel pipes are forced into sharp bends, the pipes kink and restrict the fuel flow. Also, once exposed to fuel, nylon pipes may become stiffer and are more likely to kink if bent too far. Take special care when working on a vehicle with nylon fuel pipes.

QUICK-CONNECT FITTINGS
Quick-connect fittings provide a simplified means of installing and connecting fuel system components. The fittings consist of a unique female connector and a compatible male pipe end. O-rings, located inside the female connector, provide the fuel seal. Integral locking tabs inside the female connector hold the fittings together.

FUEL PIPE O-RINGS
O-rings seal the threaded connections in the fuel system. Fuel system O-ring seals are made of special material. Service the O-ring seals with the correct service part.

FUEL RAIL ASSEMBLY

Fuel Rail Assembly:




The fuel rail assembly attaches to the engine intake manifold. The fuel rail assembly performs the following functions:
- Positions the injectors (5) in the intake manifold
- Distributes fuel evenly to the injectors
- Integrates the fuel pressure regulator (8) with the fuel metering system

FUEL INJECTORS

Fuel Injectors:




The Multec 2 fuel injector assembly is a solenoid operated device, controlled by the PCM, that meters pressurized fuel to a single engine cylinder. The PCM energizes the high-impedance (12.2 ohms) injector solenoid (1) to open a normally closed ball valve (2). This allows fuel to flow into the top of the injector, past the ball valve, and through a director plate (3) at the injector outlet. The director plate has two machined holes that control the fuel flow, generating a spray of finely atomized fuel at the injector tip. Fuel from the injector tip is directed at the intake valve, causing it to become further atomized and vaporized before entering the combustion chamber. An injector stuck partly open can cause a loss of pressure after engine shutdown. Consequently, long cranking times would be noticed on some engines.

FUEL PRESSURE REGULATOR ASSEMBLY

Fuel Pressure Regulator Assembly:




The fuel pressure regulator is a vacuum operated diaphragm relief valve with fuel pump pressure on one side and regulator spring pressure and intake manifold vacuum on the other side. The fuel pressure regulator maintains a constant pressure differential across the injectors at all times. The pressure regulator compensates for engine load by increasing fuel pressure as the engine vacuum drops.

FUEL METERING MODES OF OPERATION
The powertrain control module (PCM) reads voltages from several sensors in order to determine how much fuel to give the engine. The fuel is delivered under one of several conditions called modes. The PCM controls all modes.

Starting Mode
With the ignition switch in the ON position, before engaging the starter, the PCM energizes the fuel pump relay for 2 seconds allowing the fuel pump to build up pressure. The PCM first tests speed density, then switches to the mass airflow (MAF) sensor. The PCM also uses the engine coolant temperature (ECT), the throttle position (TP), and the manifold absolute pressure (MAP) sensors to determine the proper air/fuel ratio for starting. The PCM controls the amount of fuel delivered in the starting mode by changing the pulse width of the injectors. This is done by pulsing the injectors for very short times.

Clear Flood Mode
If the engine floods, clear the engine by pushing the accelerator pedal down to the floor and then crank the engine. When the TP sensor is at wide open throttle (WOT), the PCM reduces the injector pulse width in order to increase the air to fuel ratio. The PCM holds this injector rate as long as the throttle stays wide open and the engine speed is below a predetermined RPM. If the throttle is not held wide open, the PCM returns to the starting mode.

Run Mode
The run mode has 2 conditions called Open Loop and Closed Loop. When the engine is first started and the engine speed is above a predetermined RPM, the system begins Open Loop operation. The PCM ignores the signal from the heated oxygen sensor (HO2S) and calculates the air/fuel ratio based on inputs from the engine coolant temperature (ECT), MAF, MAP, and TP sensors. The system stays in Open Loop until meeting the following conditions:
- Both HO2S have varying voltage output, showing that they are hot enough to operate properly. This depends upon the engine temperature.
- The ECT sensor is above a specified temperature.
- A specific amount of time has elapsed after starting the engine.

Specific values for the above conditions exist for each different engine, and are stored in the electrically erasable programmable read-only memory (EEPROM). The system begins Closed Loop operation after reaching these values. In Closed Loop, the PCM calculates the air/fuel ratio, injector on-time, based upon the signal from various sensors, but mainly from the HO2S. This allows the air/fuel ratio to stay very close to 14.7:1.

Acceleration Mode
When the driver pushes on the accelerator pedal, air flow into the cylinders increases rapidly, while fuel flow tends to lag behind. To prevent possible hesitation, the PCM increases the pulse width to the injectors to provide extra fuel during acceleration. The PCM determines the amount of fuel required based upon the TP, the coolant temperature, the MAP, the MAF, and the engine speed.

Deceleration Mode
When the driver releases the accelerator pedal, airflow into the engine is reduced. The PCM reads the corresponding changes in TP, MAP, and MAF. The PCM shuts OFF fuel completely if the deceleration is very rapid, or for long periods, such as long, closed-throttle coast-down. The fuel shuts OFF in order to protect the catalytic converters.

Battery Voltage Correction Mode
When the battery voltage is low, the PCM compensates for the weak spark delivered by the ignition system in the following ways:
- Increasing the amount of fuel delivered
- Increasing the idle RPM
- Increasing the ignition dwell time

Fuel Cutoff Mode
The PCM cuts OFF fuel from the fuel injectors when the following conditions are met in order to protect the powertrain from damage and improve driveability:
- The ignition is OFF. This prevents engine run-on.
- The ignition is ON but there is no ignition reference signal. This prevents flooding or backfiring.
- The engine speed is too high, above red line.
- The vehicle speed is too high, above rated tire speed.
- During an extended, high speed, closed throttle coast down-This reduces emissions and increases engine braking.
- During extended deceleration, in order to protect the catalytic converters

SHORT TERM FUEL TRIM
The Short Term fuel trim values change rapidly in response to the HO2S signal voltages. These changes fine tune the engine fueling. The ideal fuel trim values are around 0 percent. A positive fuel trim value indicates that the PCM is adding fuel in order to compensate for a lean condition. A negative fuel trim value indicates that the PCM is reducing the amount of fuel in order to compensate for a rich condition.

When the PCM determines that the Short Term fuel trim is out of the operating range, the following DTCs will set:
- DTC P0171 Bank 1 Too Lean
- DTC P0172 Bank 1 Too Rich
- DTC P0174 Bank 2 Too Lean
- DTC P0175 Bank 2 Too Rich

LONG TERM FUEL TRIM
The Long Term fuel trim is a matrix of cells arranged by RPM and MAP. Each cell of the Long Term fuel trim is a register like the short term fuel trim. As the engine operating conditions change, the PCM will switch from cell to cell to determine what Long Term fuel trim factor to use in the base pulse width equation.

While in any given cell, the PCM also monitors the Short Term fuel trim. If the Short Term fuel trim is far enough from 0 percent, the PCM will change the Long Term fuel trim value. Once the Long Term fuel trim value is changed, the value change should force the Short Term fuel trim back toward 0 percent. If the mixture is still not correct, the short term fuel trim will continue to have a large deviation from the ideal 0 percent. In this case, the Long Term fuel trim value will continue to change until the Short Term fuel trim becomes balanced. Both the Short Term fuel trim and Long Term fuel trim have limits which vary by calibration. If the mixture is off enough so that Long Term fuel trim reaches the limit of Long Term fuel trim control and still cannot correct the condition, the Short Term fuel trim would also go to the Short Term fuel trim limit of control in the same direction. If the mixture is still not corrected by both short term fuel trim and Long Term fuel trim at their extreme values, a fuel trim diagnostic trouble code (DTC) will likely result. When the PCM determines that the Long Term fuel trim is out of the operating range, the following DTCs will set:
- DTC P0171 Bank 1 Too Lean
- DTC P0172 Bank 1 Too Rich
- DTC P0174 Bank 2 Too Lean
- DTC P0175 Bank 2 Too Rich

Under the conditions of power enrichment (PE), the PCM sets the Short Term fuel trim to 0 percent and freezes it there until PE is no longer in effect. This is done so the Closed Loop factor and the long term fuel trim will not try to correct for the PE condition.