Curiosii for ever!: Car repair manuals for everyone.

Air Flow Meter/Sensor: Service and Repair

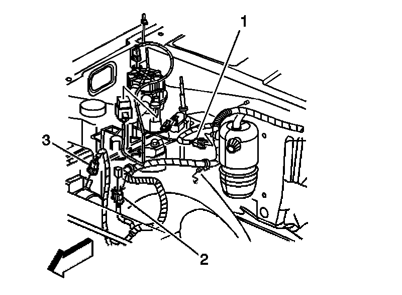
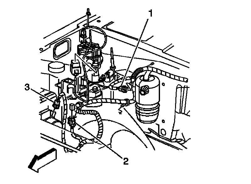
MASS AIR FLOW (MAF)/INTAKE AIR TEMPERATURE (IAT) SENSOR REPLACEMENT

REMOVAL PROCEDURE

IMPORTANT: Use care when handling the mass air flow/intake air temperature (MAF/IAT) sensor. Do not dent, puncture, or otherwise damage the honeycell located at the air inlet end of the MAF/IAT. Do not touch the sensing elements or allow anything including cleaning solvents and lubricants to come in contact with them. Use a small amount of a non-silicone based lubricant, on the air duct only, to aid in installation.




1. Remove the intake air resonator.
2. Disconnect the MAF/IAT sensor electrical connector (3).




3. Loosen the MAF/IAT clamp.
4. Remove the MAF/IAT sensor from the air cleaner assembly.

INSTALLATION PROCEDURE

IMPORTANT: The embossed arrow on the MAF/IAT sensor indicates the proper air flow direction. The arrow must point toward the engine.




1. Locate the air flow direction arrow (2) on the MAF/IAT sensor.




2. Install the MAF/IAT sensor to the air cleaner assembly.

NOTE: Refer to Fastener Notice in Service Precautions.

3. Tighten the MAF/IAT clamp.

Tighten
Tighten the clamp to 7 N.m (62 lb in).




4. Connect the MAF/IAT sensor electrical connector (3).
5. Install the air intake resonator.