Curiosii for ever!
: Car repair manuals for everyone.
Home
>>
Chevy Truck
>>
2003
>>
Avalanche 2500 2WD V8-8.1L VIN G
>>
Repair and Diagnosis
>>
Diagrams
>>
Exploded Views
>>
Engine
>>
Cylinder Block Assembly
>>
Crankshaft, Engine
Crankshaft, Engine
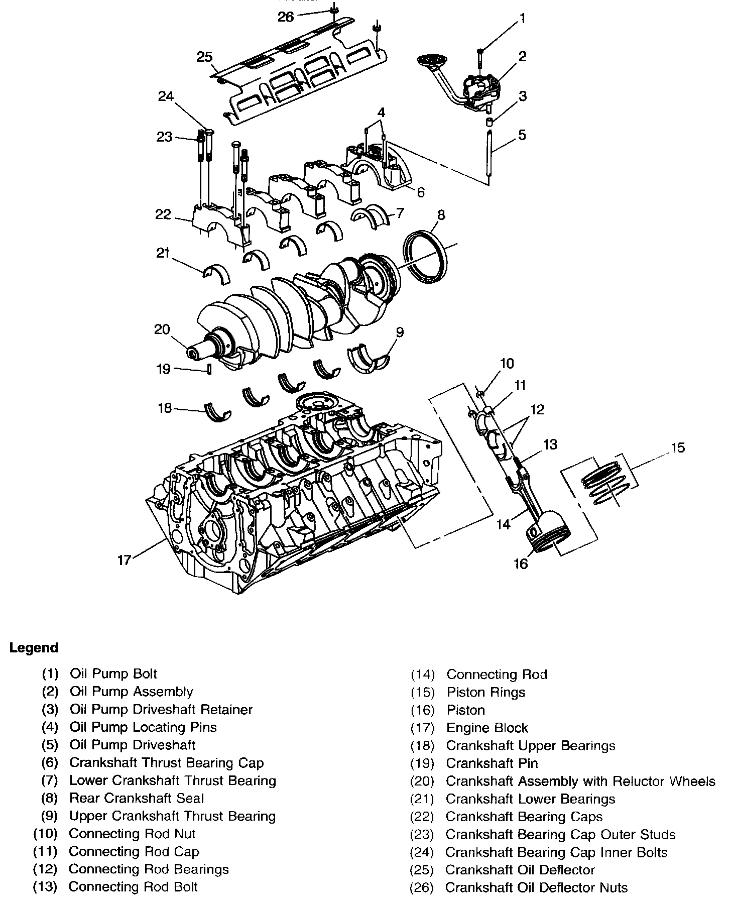
Engine Crankshaft and Components: