Curiosii for ever!: Car repair manuals for everyone.

Compressor Replacement

COMPRESSOR REPLACEMENT

TOOLS REQUIRED
J 39400-A Halogen Leak Detector

REMOVAL PROCEDURE




1. Remove the air cleaner.
2. Remove the upper fan shroud bolts.
3. Remove the upper fan shroud.
4. Recover the refrigerant from the system.




5. Disconnect the electrical connector (1) from the A/C compressor.
6. Release the drive belt tensioner and remove the drive belt from the A/C compressor.
7. Remove the engine cover.
8. Remove the oil fill tube bolt.
9. Remove the oil fill tube.




10. Disconnect the electrical connector (2) from the A/C compressor high pressure cutoff switch.




11. Remove the compressor hose assembly bolt (3).
12. Remove the compressor hose assembly from the compressor.
13. Remove and discard the seal washers.




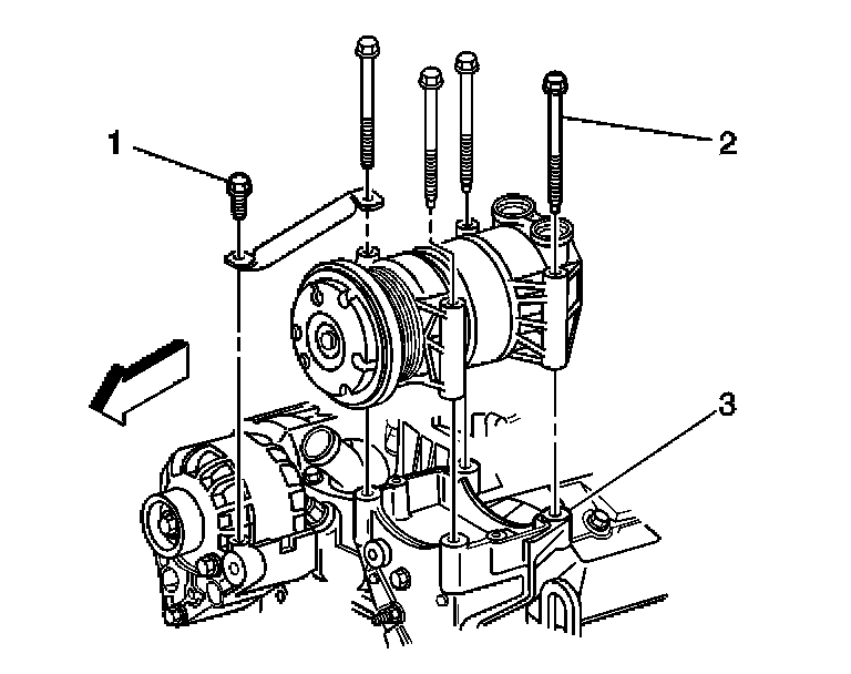
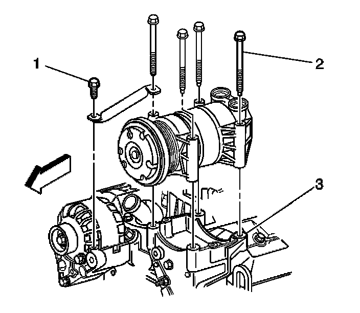
14. Remove the compressor brace bolt (1).
15. Remove the compressor mounting bolts (2).
16. Remove the compressor brace.
17. Remove the compressor from the vehicle.
18. If replacing the A/C compressor, the refrigerant oil must be balanced.

INSTALLATION PROCEDURE
1. If replacing the compressor, add the refrigerant oil to the compressor.

IMPORTANT: The compressor is shipped without oil.





2. Install the compressor to the vehicle.
3. Install the compressor brace.
4. Install the compressor mounting bolts (2).

NOTE: Refer to Fastener Notice in Service Precautions.

Tighten
Tighten the bolts to 50 N.m (37 lb ft).

5. Install the compressor brace bolt (1).

Tighten
Tighten the bolt to 25 N.m (18 lb ft).

6. Install new seal washers.
7. Install the compressor hose assembly to the compressor.




8. Install the compressor hose assembly bolt (3).

Tighten
Tighten the bolt to 34 N.m (25 lb ft).




9. Connect the electrical connector (2) to the A/C compressor high pressure cutoff switch.
10. Install the oil filler tube.
11. Install the oil filler tube bolt.

Tighten
Tighten the bolt to 25 N.m (18 lb ft).

12. Release the drive belt tensioner and install the drive belt to the A/C compressor.
13. Install the engine cover.




14. Connect the electrical connectors (1) to the A/C compressor.
15. Evacuate and recharge the refrigerant system.
16. Leak test the fittings of the component using the J 39400-A.




17. Install the upper fan shroud.
18. Install the upper fan shroud bolts.

Tighten
Tighten the bolt to 15 N.m (11 lb in).

19. Install the air cleaner.