Curiosii for ever!: Car repair manuals for everyone.

Knock Sensor: Service and Repair

REMOVAL PROCEDURE

CAUTION: Refer to Battery Disconnect Caution in Service Precautions.




1. Disconnect the negative battery cable.
2. Remove the distributor.
3. Remove the fuel pipes.
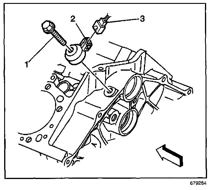
4. Disconnect the knock sensor harness connector (3).
5. Remove the knock sensor retaining bolt (1).
6. Remove the knock sensor (2).

INSTALLATION PROCEDURE

NOTE: Refer to Component Fastener Tightening Notice in Service Precautions.




1. Install the knock sensor (2) and bolt (1).

Tighten
Tighten the sensor to 25 N.m (18 lb ft).

2. Connect the knock sensor harness connector (3).
3. Install the fuel pipes.
4. Install the distributor.
5. Connect the negative battery cable.