Curiosii for ever!: Car repair manuals for everyone.

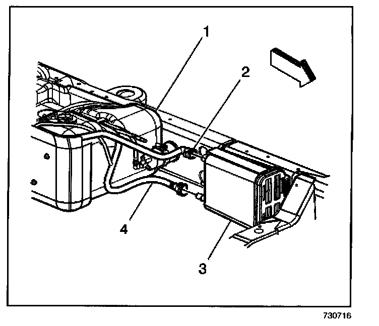
EVAP System Components

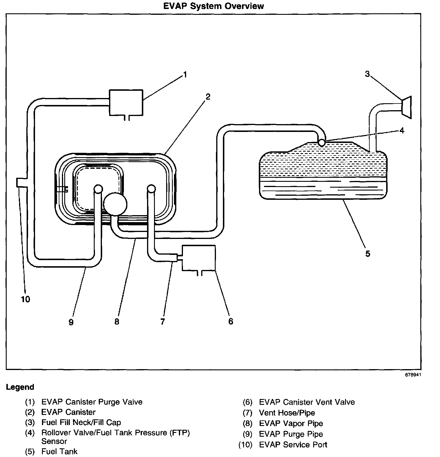
EVAP SYSTEM OVERVIEW

EVAP System Overview:




EVAP Canister:




The EVAP canister is a sealed unit with 3 ports.
^ Purge pipe
^ Vapor pipe
^ Vent pipe




The canister is filled with carbon pellets used to absorb and store fuel vapors. Fuel vapor is stored in the canister until the control module determines that the vapor can be consumed in the normal combustion process.

EVAP PURGE VALVE
The EVAP purge valve controls the flow of vapors from the EVAP system to the intake manifold. This normally closed valve is pulse width modulated by the control module to precisely control the flow of fuel vapor to the engine. The valve will also be opened during some portions of the EVAP testing, allowing engine vacuum to enter the EVAP system.

EVAP VENT VALVE
The EVAP vent valve controls fresh airflow into the EVAP canister. EVAP valve is normally open. The control module will command the valve closed during some EVAP tests, allowing the system to be tested for leaks.

FUEL TANK PRESSURE SENSOR
FTP sensor measures the difference between the pressure or vacuum in the fuel tank and outside air pressure. The control module provides a 5-volt reference and a ground to the FTP sensor. The FTP sensor provides a signal voltage back to the control module that can vary between 0.1 - 4.9 volts. As fuel tank pressure increases, FTP sensor voltage decreases, high pressure = low voltage. As fuel tank pressure decreases, FTP voltage increases, low pressure or vacuum = high voltage.

EVAP SERVICE PORT
The EVAP service port is located in the EVAP purge pipe between the EVAP purge valve and the EVAP canister. The service port is identified by a green colored cap.

EVAP PRESSURE/PURGE DIAGNOSTIC STATION
The J 41413 EVAP Pressure/Purge Diagnostic Station is used to help locate leaks in the EVAP system. The station provides a clean, dry, regulated supply of nitrogen to pressurize the EVAP system. Refer to the directions on the cart for proper operation. The J 41415-40 Fuel Tank Cap Adapter is used to adapt the J 41413 to the fuel filler neck. Pressurizing the EVAP system at the fuel filler neck allows testing of the filler neck and the fuel fill cap on vehicles with Onboard Refueling Vapor Recovery (ORVR).

The J 41416 Ultrasonic Leak Detector is then used to pinpoint the source of the leak.