Curiosii for ever!
: Car repair manuals for everyone.
Home
>>
Chevy Truck
>>
2002
>>
Express 1 Ton Van V8-5.7L VIN R
>>
Repair and Diagnosis
>>
Diagrams
>>
Exploded Views
>>
Differential Assembly
>>
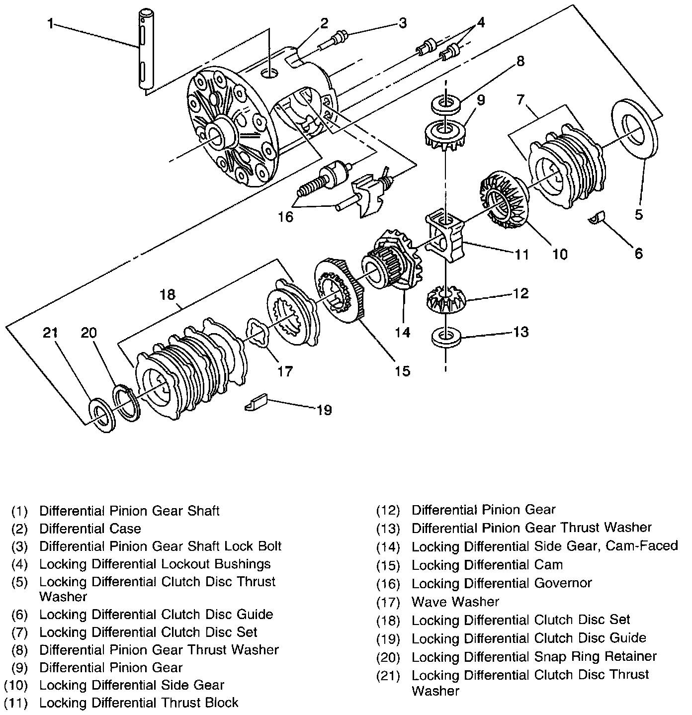
Locking Differential Disassembled Views
Locking Differential Disassembled Views
Locking Differential Disassembled Views
8.6 Locking Differential
9.5 Locking Differential
10.5 Locking Differential