Curiosii for ever!: Car repair manuals for everyone.

Oil Pressure Sensor: Service and Repair

Engine Oil Pressure Sensor and/or Switch Replacement

- Tools Required
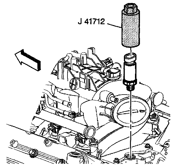
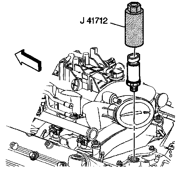
- J 41712 Oil Pressure Sensor Socket

Removal Procedure





1. If necessary, remove the engine sight shield.
2. Disconnect the oil pressure sensor electrical connector (1).





3. Using J 41712 or equivalent, remove the oil pressure sensor.

Installation Procedure





1. Apply sealant GM U.S. P/N 12346004, Canada P/N 10953480, or equivalent, to the threads of the oil pressure sensor.

Notice: Refer to Fastener Notice in Service Precautions.

2. Using J 41712 or equivalent, install the oil pressure sensor.
- Tighten the oil pressure sensor to 20 Nm (15 ft. lbs.).





3. Connect the oil pressure sensor electrical connector (1).
4. If necessary, install the engine sight shield.