Curiosii for ever!: Car repair manuals for everyone.

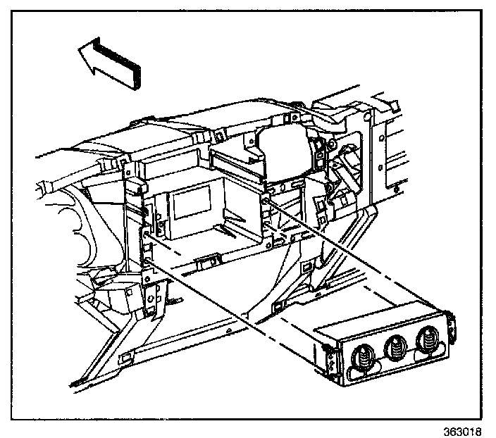
HVAC Control Assembly Replacement

REMOVAL PROCEDURE




1. Remove the instrument cluster trim plate bezel.
2. Remove the instrument panel storage tray.
3. Remove the accessory switch assembly from the instrument panel.
4. Remove the screws from the HVAC control assembly.
5. Remove the HVAC control assembly, with the following procedure:
5.1. Release the retaining tabs.
5.2. Pull the control head out of the instrument panel carrier.
6. Disconnect the electrical connectors from the HVAC control assembly.

INSTALLATION PROCEDURE




1. Connect the electrical connectors to the HVAC control assembly.
2. Install the HVAC control assembly.
3. Install the accessory switch assembly to the instrument panel.

NOTE: Refer to Fastener Notice in Service Precautions.

4. Install the screws from the HVAC control assembly.

Tighten
Tighten the screws to 1.9 N.m (17 lb in).

5. Install the instrument panel storage tray.
6. Install the instrument cluster trim plate bezel.