Curiosii for ever!
: Car repair manuals for everyone.
Home
>>
Chevy Truck
>>
2002
>>
Astro Van L AWD V6-4.3L VIN X
>>
Repair and Diagnosis
>>
Diagrams
>>
Components
>>
Modules
>>
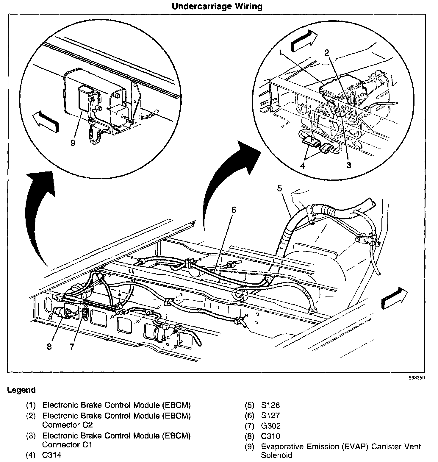
Electronic Brake Control Module (EBCM)
Electronic Brake Control Module (EBCM)
Locations View: