Curiosii for ever!: Car repair manuals for everyone.

Knock Sensor: Service and Repair

REMOVAL PROCEDURE

CAUTION: Refer to Battery Disconnect Caution in Service Precautions.




1. Disconnect the negative battery cable.
2. Remove the engine cover.
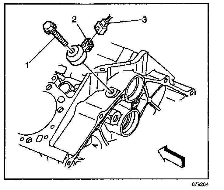
3. Disconnect the knock sensor harness connector (3).
4. Remove the knock sensor bolt (1) and knock sensor (2).

INSTALLATION PROCEDURE

NOTE: Refer to Component Fastener Tightening Notice in Service Precautions.




1. Install the knock sensor (2) and the knock sensor bolt (1).

Tighten
Tighten the sender to 25 N.m (18 lb ft).

2. Connect the knock sensor harness connector (3).
3. Install the engine cover.
4. Connect the negative battery cable.