Curiosii for ever!: Car repair manuals for everyone.

Compressor Replacement

TOOLS REQUIRED
J 39400-A Halogen Leak Detector

REMOVAL PROCEDURE




1. Recover the refrigerant. Refer to Refrigerant Recovery and Recharging.

IMPORTANT: The A/C compressor is accessed through the right wheel opening.

Turn the steering wheel to the right before lifting the vehicle.

2. Raise and support the vehicle. Refer to Lifting and Jacking the Vehicle.
3. Remove the RH engine splash shield.
4. Release the drive belt tensioner.
Remove the drive belt from the compressor pulley.
5. Remove the air baffle bolts.
6. Remove the air baffle.




7. Disconnect the electrical connector from the compressor.
8. Disconnect the engine harness electrical connector.
Reposition the engine harness away from the compressor.




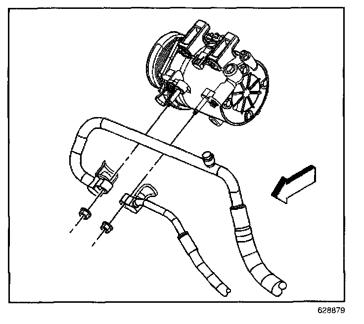
9. Remove the suction hose nut.

IMPORTANT: Cap or tape the open A/C lines immediately, to prevent system contamination.

10. Disconnect the suction hose from the compressor.
11. Cap off the suction port of the compressor.
12. Remove the discharge hose nut.
13. Disconnect the discharge hose from the compressor.
14. Cap off the discharge port of the compressor.
15. Remove and discard the sealing washers.




16. Remove compressor mounting bolts.
17. Remove the compressor.
18. If replacing the compressor, drain and measure as much of the PAG oil as possible from the removed compressor:
18.1. Drain the PAG oil from both the suction and discharge ports of the removed compressor into a clean container.
Rotate the compressor crankshaft to assist draining the crankcase oil.
18.2. Measure and record the amount of PAG oil drained from the removed compressor.
This measurement will be used during installation of the replacement compressor.

INSTALLATION PROCEDURE

IMPORTANT: The replacement compressors are partially pre-charged with PAG oil.

Refer to Refrigerant System Capacities.




1. Install the compressor.

NOTE: Refer to Fastener Notice in Service Precautions.

2. Install the compressor mounting bolts.

Tighten
Tighten the bolts to 50 N.m (37 lb ft).

IMPORTANT: Lubricate new sealing washers with mineral base 525 viscosity refrigerant oil.




3. Install the sealing washer to the discharge hose.
4. Uncap the discharge port of the compressor.
5. Connect the discharge hose to the compressor.
6. Install the discharge hose nut.

Tighten
Tighten the nut to 16 N.m (12 lb ft).

7. Install the sealing washer to the suction hose.
8. Uncap the suction port of the compressor.
9. Connect the suction hose to the compressor.
10. Install the suction hose nut.

Tighten
Tighten the nut to 16 N.m (12 lb ft).




11. Connect the electrical connector to the compressor.
12. Connect the engine harness electrical connector.
13. Install the air baffle.
14. Install the air baffle bolts.

Tighten
Tighten the bolts to 20 N.m (15 lb ft).

15. Release the drive belt tensioner.
Install the drive belt to the compressor pulley.
16. Install the RH engine splash shield.
17. Lower the vehicle.
18. Evacuate and recharge the system. Refer to Refrigerant Recovery and Recharging.
19. Leak test the fittings of the component using J 39400-A.