Curiosii for ever!
: Car repair manuals for everyone.
Home
>>
Chevy Truck
>>
2001
>>
Venture V6-3.4L VIN E
>>
Repair and Diagnosis
>>
Diagrams
>>
Exploded Views
>>
Engine
>>
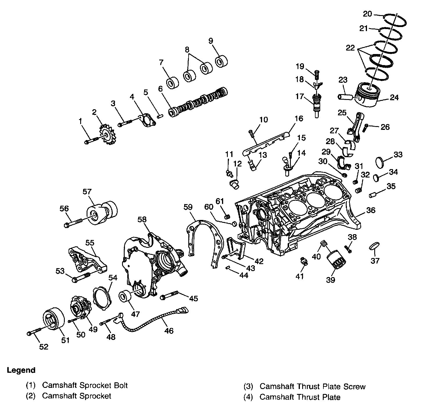
Engine Block and Components
Engine Block and Components
Engine Block and Components
Part 1 of 2
Part 2 of 2