Curiosii for ever!
: Car repair manuals for everyone.
Home
>>
Chevy Truck
>>
2001
>>
Tracker 2WD L4-2.0L VIN C
>>
Repair and Diagnosis
>>
Powertrain Management
>>
Diagrams
>>
Electrical Diagrams
>>
Engine Controls
>>
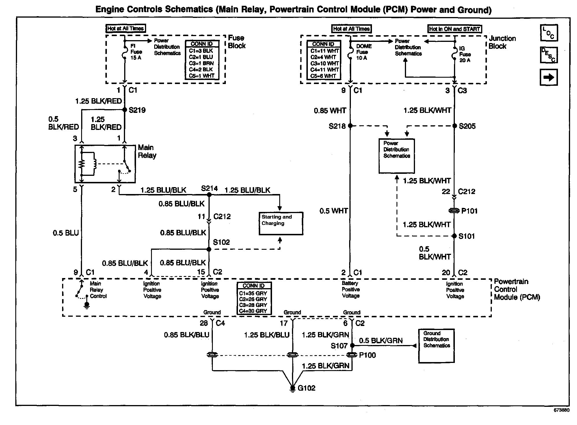
Main Relay, Powertrain Control Module, (PCM) Power and Ground
Main Relay, Powertrain Control Module, (PCM) Power and Ground
Engine Controls Schematics: Main Relay, Powertrain Control Module (PCM) Power and Ground: