Curiosii for ever!
: Car repair manuals for everyone.
Home
>>
Chevy Truck
>>
2001
>>
S10/T10 P/U 2WD L4-2.2L VIN 5 Flex Fuel
>>
Repair and Diagnosis
>>
Powertrain Management
>>
Computers and Control Systems
>>
Body Control Module
>>
Diagrams
>>
Electrical Diagrams
>>
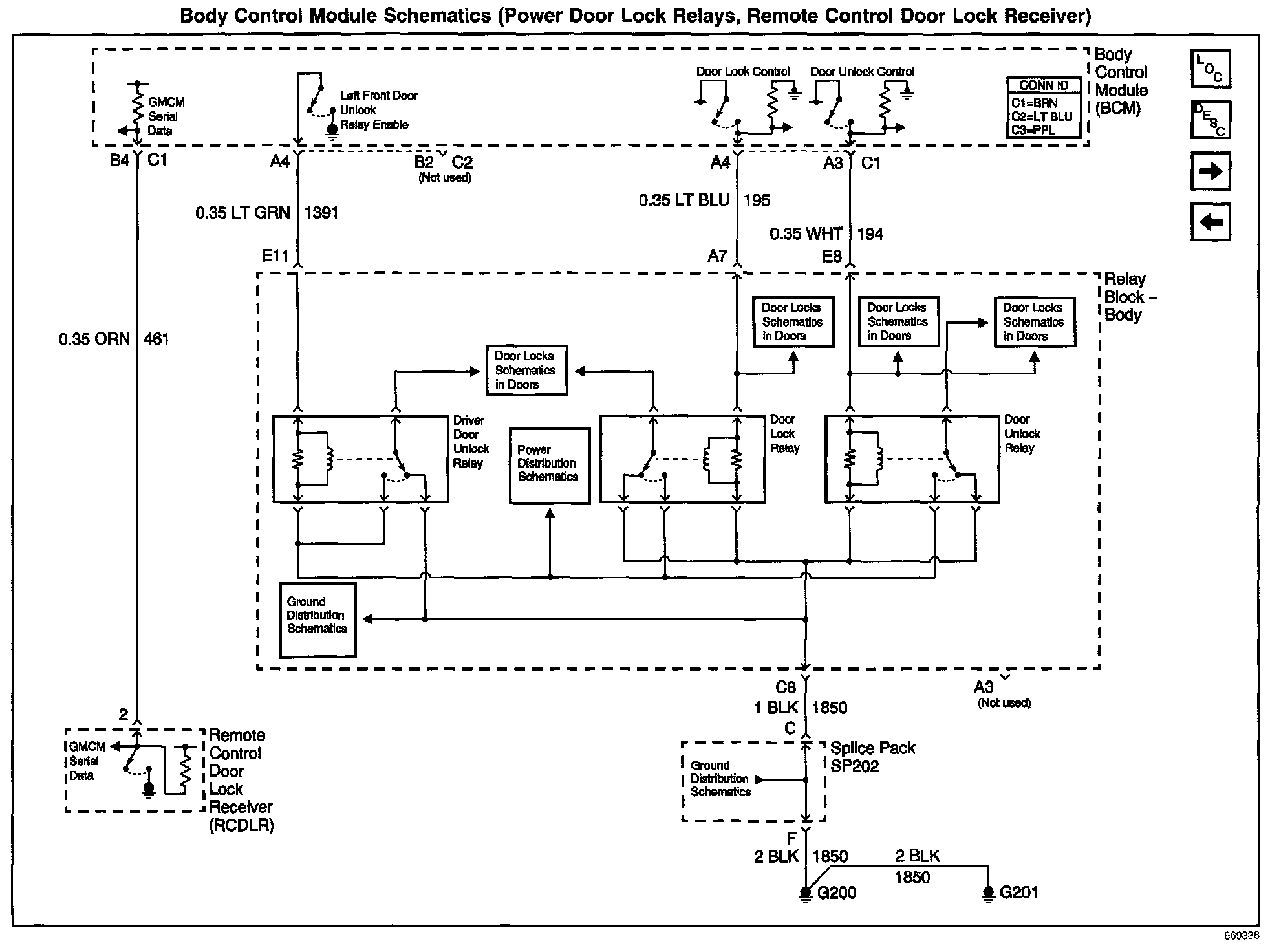
Power Door Lock Relays, Remote Control Door Lock Receiver
Power Door Lock Relays, Remote Control Door Lock Receiver
Body Control Module Schematics: Power Door Lock Relays, Remote Control Door Lock Receiver: