Curiosii for ever!
: Car repair manuals for everyone.
Home
>>
Chevy Truck
>>
2001
>>
S10/T10 P/U 2WD L4-2.2L VIN 5 Flex Fuel
>>
Repair and Diagnosis
>>
Locations
>>
Component Locations
>>
Modules
>>
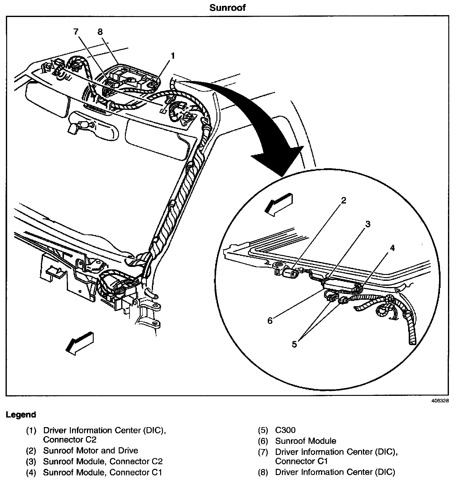
Sunroof Module
Sunroof Module
Locations View:
At the front of the sunroof