Curiosii for ever!
: Car repair manuals for everyone.
Home
>>
Chevy Truck
>>
2001
>>
S10/T10 P/U 2WD L4-2.2L VIN 5 Flex Fuel
>>
Repair and Diagnosis
>>
Cruise Control
>>
Diagrams
>>
Electrical Diagrams
>>
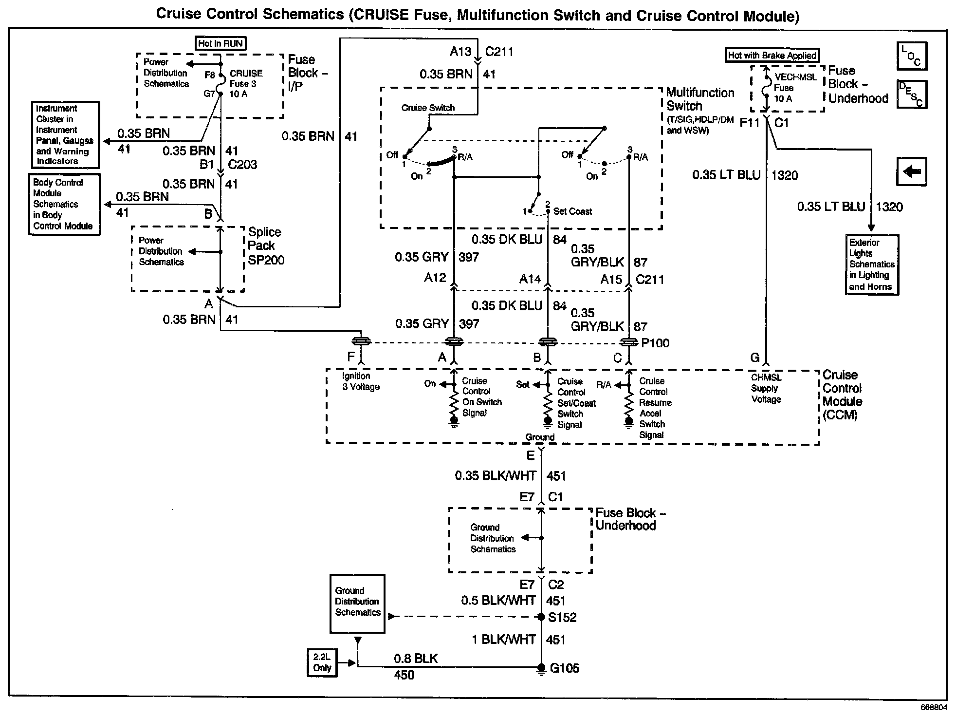
CRUISE Fuse, Multifunction Switch and Cruise Control Module
CRUISE Fuse, Multifunction Switch and Cruise Control Module
Cruise Control Schematics: CRUISE Fuse, Multifunction Switch And Cruise Control Module: