Curiosii for ever!: Car repair manuals for everyone.

Ignition Control Module: Service and Repair

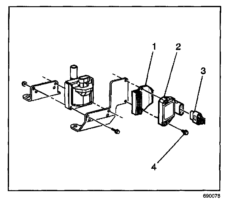
IGNITION CONTROL MODULE REPLACEMENT

REMOVAL PROCEDURE




1. Remove the engine cover.
2. Disconnect the electrical connector (3).
3. Remove the screws (4) holding the ignition control module (2) and the heat sink (1) to the bracket.
4. Remove the ignition control module and the heat sink.

INSTALLATION PROCEDURE

NOTE: Refer to Fastener Notice in Service Precautions.




1. Install the ignition control module (2) and the heat sink (1) on the bracket with the screws (4).

Tighten
Tighten the screws to 3.5 N.m (31 lb in).

2. Reconnect the electrical connectors (3).
3. Install the engine cover.