Curiosii for ever!: Car repair manuals for everyone.

Cylinder Head Specifications





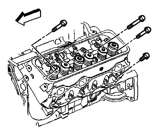
Install the cylinder head onto the engine block.
Guide the cylinder head carefully into place over the dowel pins and the cylinder head gasket.





Apply sealant GM P/N 12346004 or equivalent to the threads of the cylinder head bolts.

Notice: Refer to Fastener Notice in Service Precautions.

Install the cylinder head bolts finger tight.





Tighten the cylinder head bolts in sequence on the first pass.
^ Tighten the bolts in sequence on the first pass to 30 Nm (22 ft. lbs.).

Use the in order to tighten the cylinder head bolts in sequence on the final pass.
^ Tighten the long bolts (1, 4, 5, 8, and 9) on the final pass in sequence to 75°.
^ Tighten the medium bolts (12 and 13) on the final pass in sequence to 65°.
^ Tighten the short bolts (2, 3, 6, 7, 10, and 11) on the final pass in sequence to 55°.