Curiosii for ever!: Car repair manuals for everyone.

Air Injection Control Valve: Service and Repair

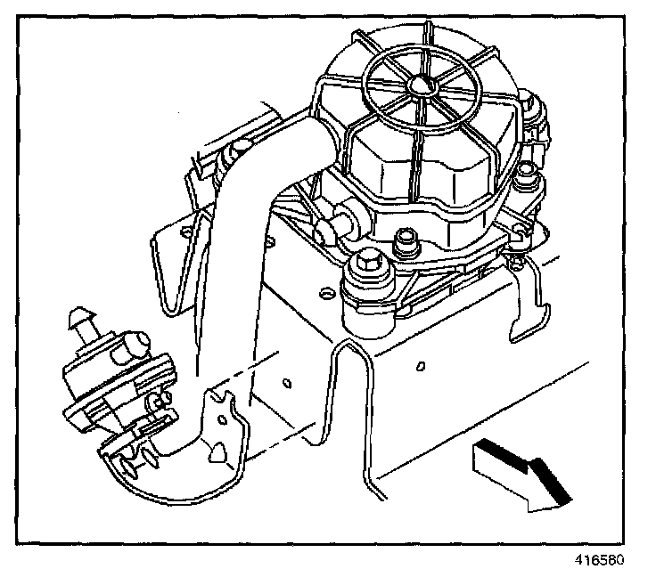
SECONDARY AIR INJECTION (AIR) SHUT OFF VALVE REPLACEMENT

REMOVAL PROCEDURE

CAUTION: Refer to Battery Disconnect Caution in Service Precautions.




1. Disconnect the negative battery cable.
2. Remove the inlet and outlet hoses from the air shut-off valve.




3. Disconnect the vacuum hose from the air shut-off valve.




4. Remove the air shut-off valve retainer screw.




5. Remove the air shut-off valve from the air pump.

INSTALLATION PROCEDURE




1. Install the air shut-off valve on the air pump.




2. Install the air shut-off valve retainer screw.




3. Connect the vacuum hose to the air shut-off valve.




4. Install the inlet and outlet hoses on air shut-off valve.