Curiosii for ever!
: Car repair manuals for everyone.
Home
>>
Chevy Truck
>>
2001
>>
Express 1/2 Ton Van V8-5.7L VIN R
>>
Repair and Diagnosis
>>
Diagrams
>>
Electrical Diagrams
>>
Antitheft and Alarm Systems
>>
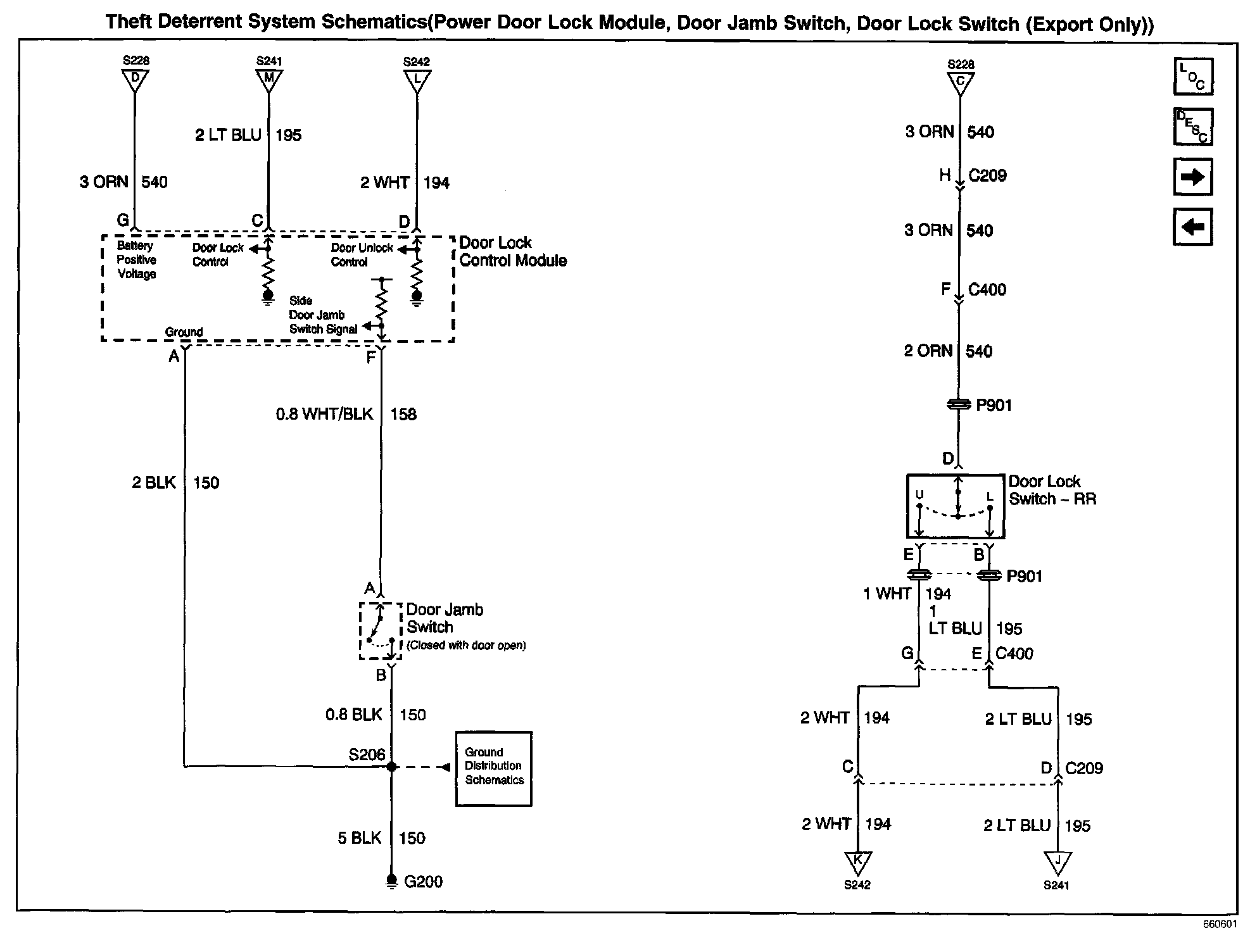
Theft Deterrent System Schematics (Export Only)
>>
Power DR Lock Module, DR Jamb SW, DR Lock SW
Power DR Lock Module, DR Jamb SW, DR Lock SW
Theft Deterrent System Schematics: Power Door Lock Module, Door Jamb Switch, Door Lock Switch (Export Only):