Curiosii for ever!
: Car repair manuals for everyone.
Home
>>
Chevy Truck
>>
2001
>>
Astro Van L AWD V6-4.3L VIN W
>>
Repair and Diagnosis
>>
Relays and Modules
>>
Relays and Modules - Brakes and Traction Control
>>
Electronic Brake Control Module
>>
Locations
>>
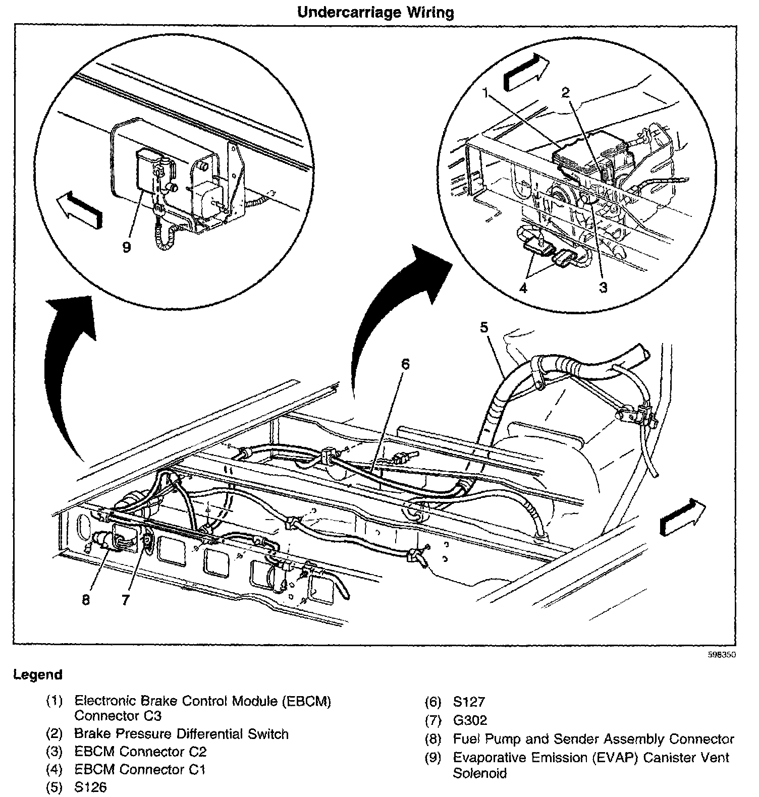
Electronic Brake Control Module (EBCM) Connector C3
Electronic Brake Control Module (EBCM) Connector C3
Locations View:
Locations View: