Curiosii for ever!: Car repair manuals for everyone.

Ignition Cable: Service and Repair

REMOVAL PROCEDURE




1. Turn the ignition OFF.

NOTE: Twist the spark plug boot one-half turn in order to release the boot. Pull on the spark plug boot only. Do not pull on the spark plug wire or the wire could be damaged.

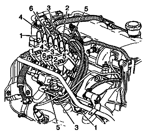
2. Remove the spark plug wire(s) (2, 4 and 6) from the engine left side spark plug(s).
3. Remove the spark plug wire(s) from the retaining clips.
4. Rotate the engine forward. Refer to Rotating the Engine for Service Access in Engine.




5. Remove the spark plug wire(s) (1, 3 and 5) from the engine right side spark plug(s).
6. Remove the spark plug wire(s) from the retaining clips.




7. Remove the spark plug wire(s) from the ignition coil(s).
8. Remove the spark plug wire(s) from the engine.
9. If you are replacing the spark plug wires, transfer any of the following components:
^ Boot heat shields
^ Spark plug wire conduit
^ Spark plug wire retaining clips

INSTALLATION PROCEDURE




1. Install the spark plug wire(s) to the engine.
2. Install the spark plug wire(s) to the ignition coil(s).




3. Install the spark plug wire(s) (1, 3 and 5) to the engine right side spark plug(s).
4. Install the spark plug wire(s) to the retaining clips.
5. Return the engine to the proper position. Refer to Rotating the Engine for Service Access in Engine.




6. Install the spark plug wire(s) (2, 4 and 6) to the engine left side spark plug(s).
7. Install the spark plug wire(s) to the retaining clips.