Curiosii for ever!: Car repair manuals for everyone.

Fuel Level Sensor: Service and Repair




REMOVAL PROCEDURE
1. Relieve fuel system pressure. Refer to Fuel Pressure Relief Procedure.
2. Drain fuel tank. Refer to Fuel Tank Draining Procedure.
3. Remove the fuel tank.
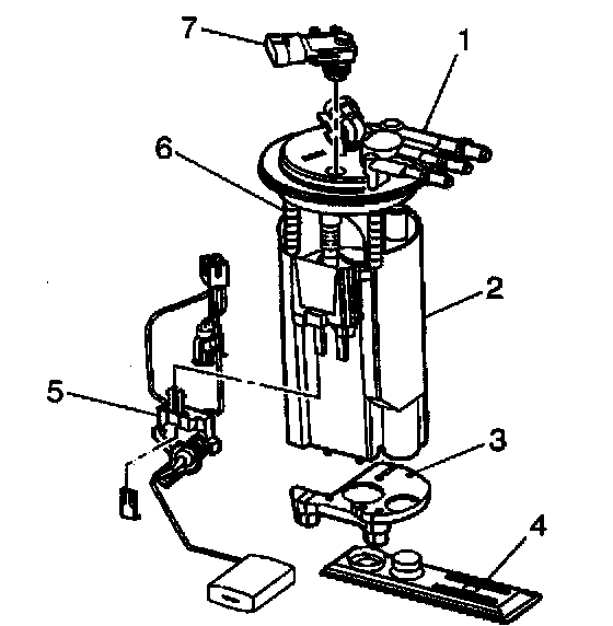
4. Remove the fuel sender assembly.
5. Remove the fuel level sensor (5) from the modular fuel sender.

INSTALLATION PROCEDURE
1. Install the fuel level sensor (5) to the modular fuel sender.
2. Install the fuel sender assembly.
3. Install the fuel tank.
4. Lower the vehicle.
5. Add fuel and Install the fuel fill cap.
6. Inspect for fuel leaks using the following procedure:
6.1. Turn ON the ignition, for 2 seconds.
6.2. Turn OFF the ignition, for 10 seconds.
6.3. Turn ON the ignition.
6.4. Inspect for fuel leaks.