Curiosii for ever!
: Car repair manuals for everyone.
Home
>>
Chevy Truck
>>
2000
>>
Venture V6-3.4L VIN E
>>
Repair and Diagnosis
>>
Locations
>>
Component Locations
>>
Modules
>>
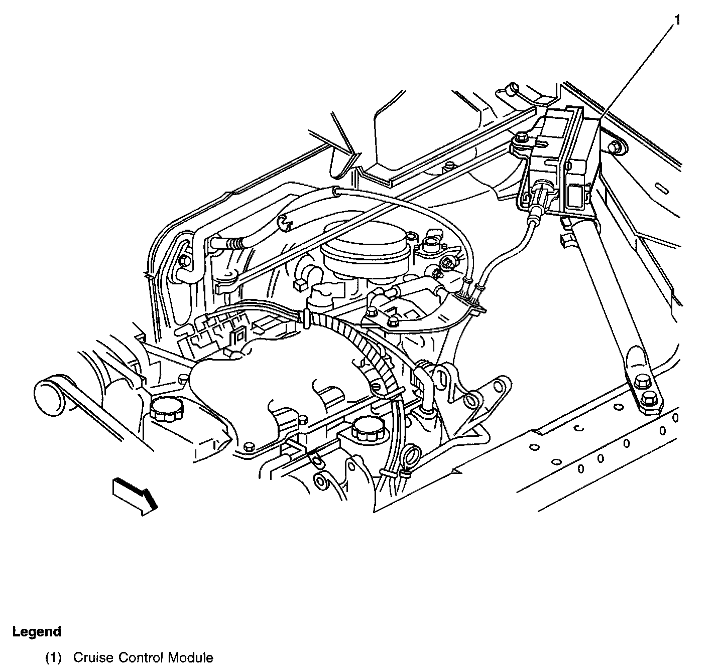
Cruise Control Module (CCM)
Cruise Control Module (CCM)
Locations View:
Locations View:
Locations View:
Engine compartment, near the left strut tower