Curiosii for ever!: Car repair manuals for everyone.

Scan Tool Does Not Communicate With EBCM

Scan Tool Does Not Communicate With EBCM:




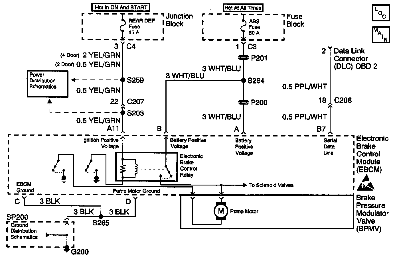
Schematics:




CIRCUIT DESCRIPTION
The service technician must begin diagnosis of any ABS complaint with the ABS Diagnostic System Check.
The diagnostic system check directs the service technician to the next logical step in diagnosing the complaint.

DIAGNOSTIC AIDS
Communication with the EBCM is not possible when excessive resistance exists in the following components:
^ Grounds
^ The power supply circuits

If communication with the EBCM is not possible, perform the following actions:
^ Verify that the EBCM ground connection is good.
^ Verify that no excessive resistance exists in any of the power supply circuits.

The following list contains items that need to be inspected when diagnosing this system:
^ Open DEF Fuse
^ Open ABS Fuse
^ Clean, tight G200

Excessive resistance in the following circuits will not allow communication with the EBCM:
^ Battery feed
^ Switched ignition
^ Ground
^ Serial data line

If communication with the EBCM is not possible with a scan tool, ensure these circuits are in good condition and that there is no excessive resistance. Also check the EBCM connectors for poor connector terminal contact. Refer to [1][2]Data Link Communications System Check in Data Link Communications. Initial Inspection and Diagnostic Overview

If an intermittent malfunction exists, refer to Testing for Intermittent and Poor Connections in Diagrams.

TEST DESCRIPTION
The numbers below refer to the step numbers on the diagnostic table.
2. This test determines if the scan tool can communicate with any other modules on the serial data line.
4. Tests for a short to ground in the ignition positive voltage circuit.
6. Tests the EBCM ground circuit for an open or high resistance.
7. Tests the ignition positive voltage circuit for an open or high resistance.