Curiosii for ever!
: Car repair manuals for everyone.
Home
>>
Chevy Truck
>>
2000
>>
Tracker 4WD L4-1.6L VIN 6
>>
Repair and Diagnosis
>>
Diagrams
>>
Electrical Diagrams
>>
Powertrain Management
>>
Computers and Control Systems
>>
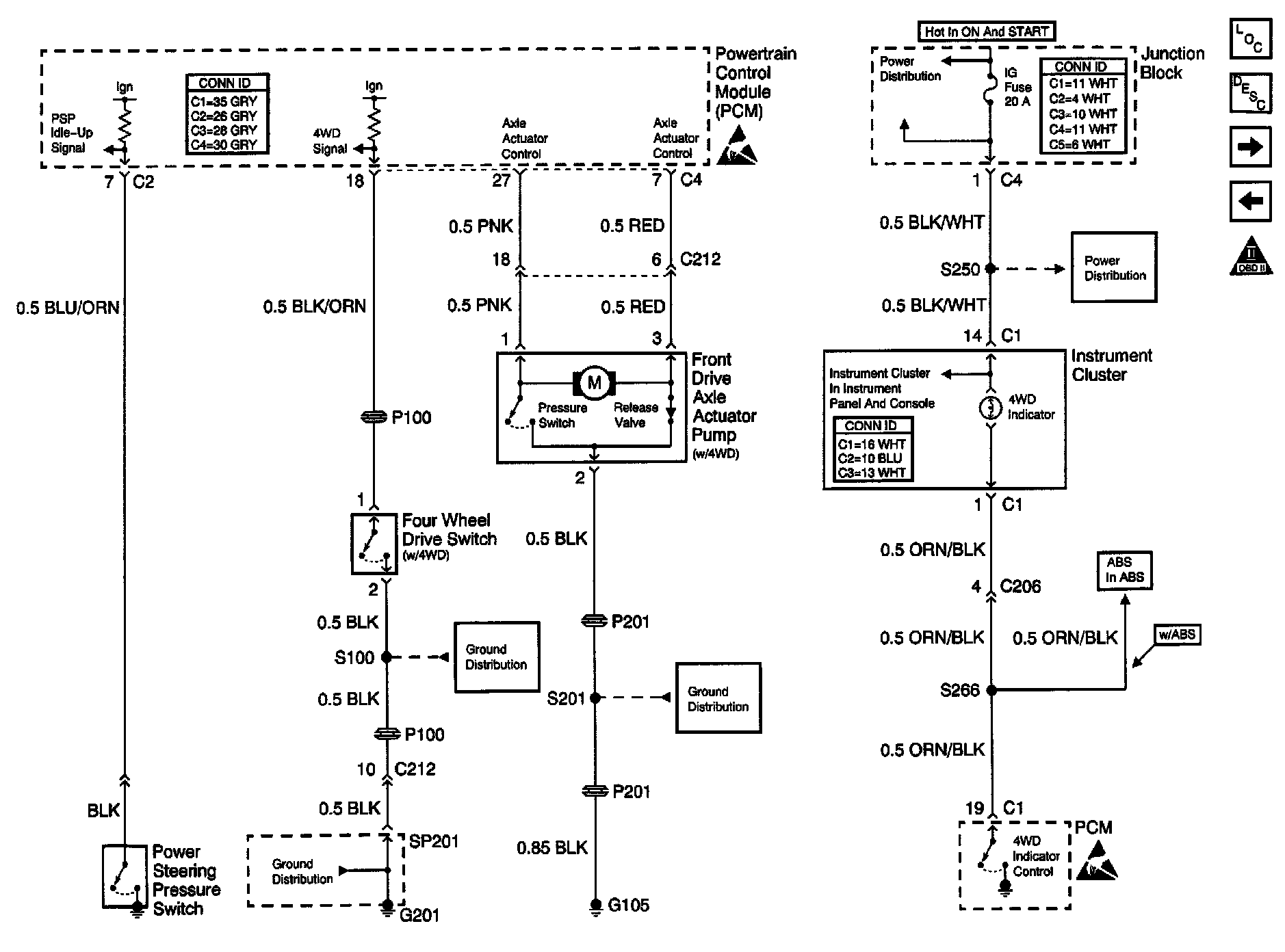
Body Control Module
Body Control Module
Engine Controls Schematics: Four Wheel Drive Inputs/Outputs: