Curiosii for ever!: Car repair manuals for everyone.

Fuel Tank Pressure Sensor: Service and Repair




REMOVAL PROCEDURE

CAUTION: Refer to Battery Disconnect Caution in Service Precautions.

1. Disconnect the negative battery cable.
2. Relieve the fuel pressure. Refer to Fuel Pressure Relief Procedure.
3. Drain the fuel tank. Refer to Fuel Tank Draining Procedure.
4. Remove the fuel tank.
5. Disconnect the fuel tank pressure sensor electrical connector.
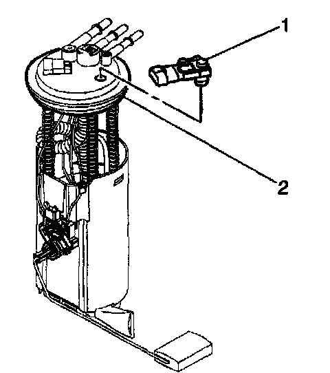
6. Remove the fuel tank pressure sensor (1) from fuel sender assembly (2)

INSTALLATION PROCEDURE

1. Install the fuel tank pressure sensor (1) on the fuel sender assembly (2).
2. Connect the fuel tank pressure sensor electrical connector.
3. Install the fuel tank.
4. Refill the fuel tank.
5. Install the fuel filler cap.
6. Connect the negative battery cable.
7. Inspect for leaks.
7.1. Turn the ignition switch ON for 2 seconds.
7.2. Turn the ignition switch OFF for 10 seconds.
7.3. Turn the ignition switch ON.
7.4. Inspect for fuel leaks.