Curiosii for ever!: Car repair manuals for everyone.

Crankshaft Position Sensor: Service and Repair

REMOVAL PROCEDURE

IMPORTANT: The CKP System Variation Learn Procedure will need to be performed wherever the Crankshaft Position (CKP) sensor is removed or replaced. Refer to CKP System Variation Learn Procedure.




1. Raise the vehicle. Refer to Lifting and Jacking the Vehicle.
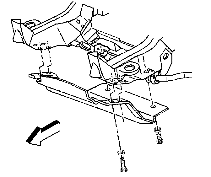
2. If the vehicle is equipped with the underbody shield package, then remove the steering linkage shield mounting bolts.




3. Remove the steering linkage shield.




4. Disconnect the CKP sensor harness connector.




5. Remove the CKP sensor mounting bolt.




6. Remove the CKP sensor.

INSTALLATION PROCEDURE

IMPORTANT:
^ When installing the CKP sensor, make sure the sensor is fully seated before tightening the mounting bolt. A poorly seated CKP sensor may perform erratically; possibly setting false DTCs.
^ Do not reuse the original O-ring.




1. Replace the CKP sensor O-ring.
2. Lubricate the O-ring with clean engine oil before installing the CKP sensor.

IMPORTANT: Make sure the CKP sensor mounting surface is clean and free of burrs.

3. Install the CKP sensor.

NOTE: Refer to Fastener Notice in Service Precautions.




4. Install the CKP sensor mounting bolt.

Tighten
Tighten the CKP sensor mounting bolt to 20 N.m (15 lb ft).




5. Connect the CKP sensor harness connector.




6. Install the steering linkage shield.




7. Install the steering linkage shield mounting bolts.

Tighten
Tighten the bolts to 33 N.m (24 lb ft).

8. Lower the Vehicle. Refer to Lifting and Jacking the Vehicle.
9. Perform the CKP System Variation Learn Procedure. Programming and Relearning