Curiosii for ever!
: Car repair manuals for everyone.
Home
>>
Chevy Truck
>>
2000
>>
S10/T10 P/U 2WD V6-4.3L VIN W
>>
Repair and Diagnosis
>>
Relays and Modules
>>
Relays and Modules - Powertrain Management
>>
Relays and Modules - Computers and Control Systems
>>
Body Control Module
>>
Diagrams
>>
Electrical Diagrams
>>
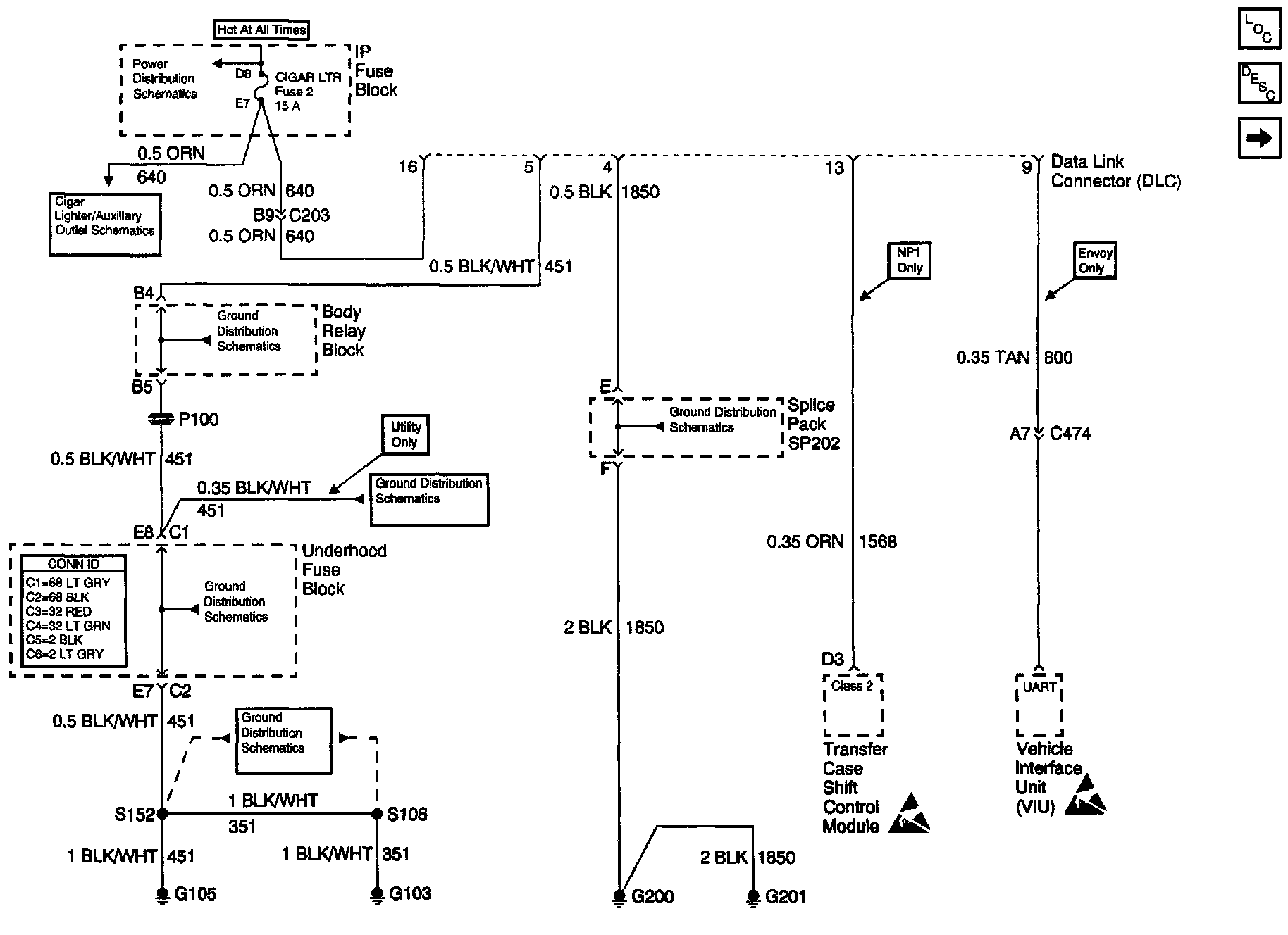
PWR, GRD, Transfer Case Shift Control Module and Vehicle Interface Unit (VIU)
PWR, GRD, Transfer Case Shift Control Module and Vehicle Interface Unit (VIU)
Data Link Connector (DLC) Schematics: Power, Ground, Transfer Case Shift Control Module And Vehicle Interface Unit (VIU):