Curiosii for ever!
: Car repair manuals for everyone.
Home
>>
Chevy Truck
>>
2000
>>
S10/T10 P/U 2WD V6-4.3L VIN W
>>
Repair and Diagnosis
>>
Powertrain Management
>>
Diagrams
>>
Electrical Diagrams
>>
Engine Controls
>>
HVAC Controls
>>
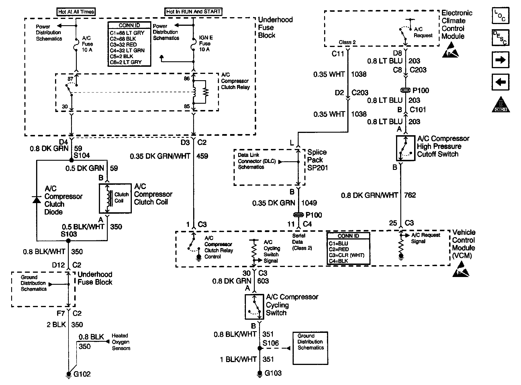
Automatic A/C Compressor Control
Automatic A/C Compressor Control
Engine Control Schematics: Automatic A/C Compressor Control: