Curiosii for ever!
: Car repair manuals for everyone.
Home
>>
Chevy Truck
>>
2000
>>
S10/T10 P/U 2WD V6-4.3L VIN W
>>
Repair and Diagnosis
>>
Diagrams
>>
Electrical Diagrams
>>
Powertrain Management
>>
Computers and Control Systems
>>
Body Control Module
>>
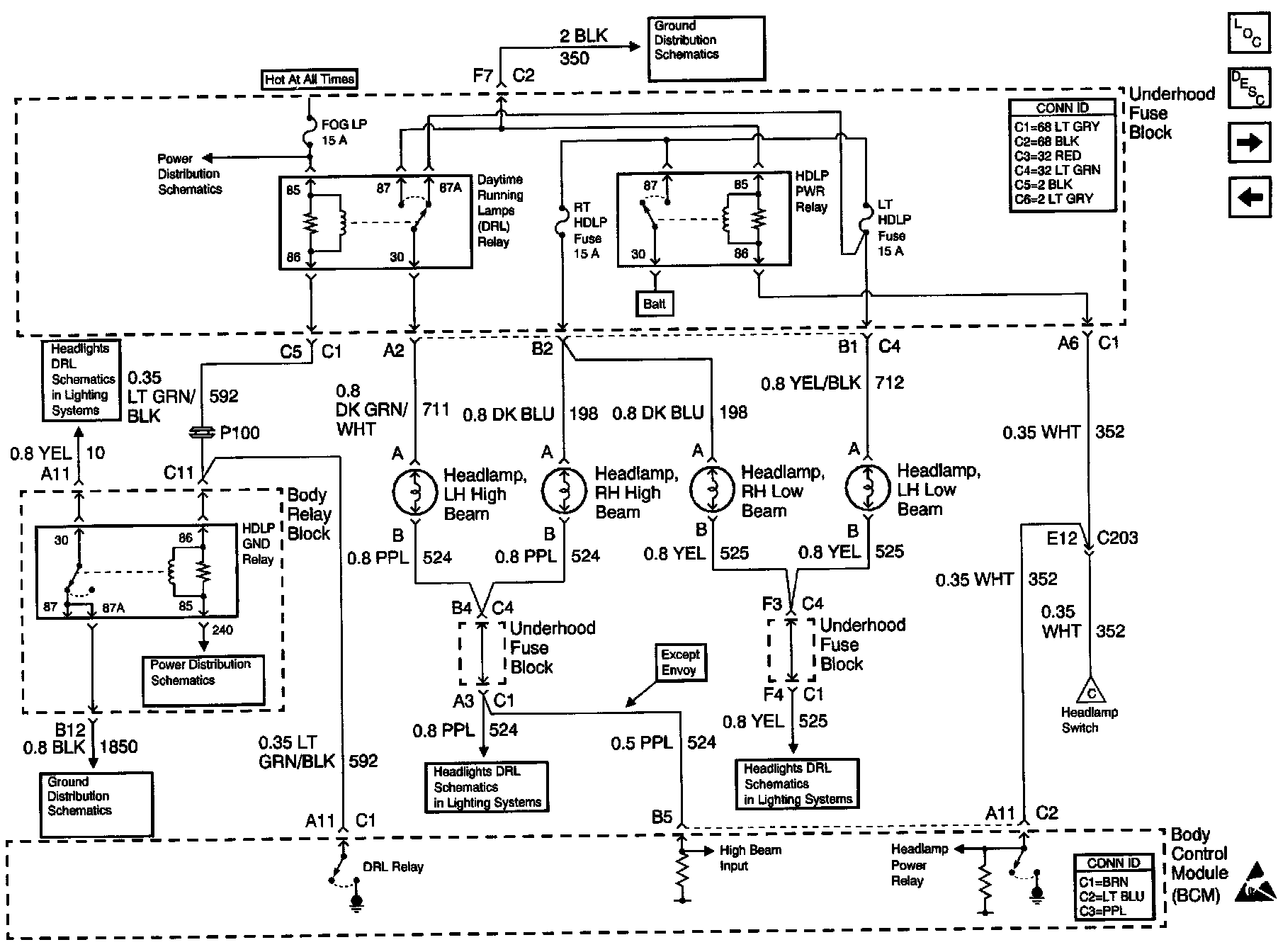
Headlamps
Headlamps
Body Control Module Schematics: Headlamps (Except Envoy):