Electronic Brake Control Module (EBCM) (310 ABS)
Removal ProcedureImportant: After installation, calibrate the new EBCM to the tire size that is appropriate to the vehicle. Refer to Tire Size Calibration in Scan Tool Diagnostics.
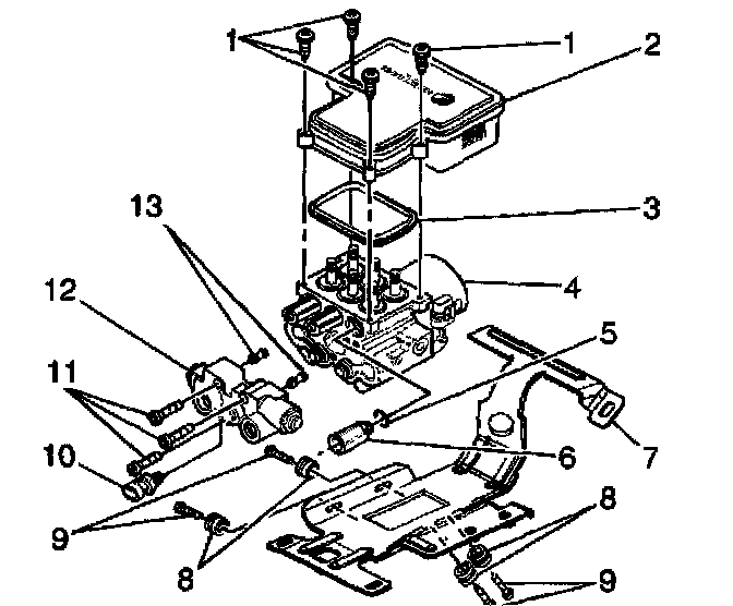
1. Remove the four T-25 TORX'83 screws (1) that fasten the EBCM (2) to the BPMV (4).
Important: Do not use a tool to pry the EBCM or the BPMV. Excessive force will damage the EBCM.
2. Partially remove the EBCM (2) from the BPMV (4) enough to access the electrical connectors. Removal may require a light amount of force.
3. Disconnect the four electrical connectors from EBCM.
4. Fully remove the EBCM (2) from the BPMV (4).
Installation Procedure
Important:
^ Do not reuse the old mounting screws. Always install new mounting screws with the new EBCM.
^ Do not use RTV or any other type of sealant on the EBCM gasket (3) or mating surfaces.
1. Connect the four electrical connectors to the EBCM.
2. Install EBCM (2) on to the BPMV (4).
Notice: Refer to Component Fastener Tightening Notice in Service Precautions.
3. Install the four new T-25 Torx screws (1) in the EBCM (2).
Tighten
Tighten the four T-25 Torx screws to 5 Nm (39 inch lbs.) in an X-pattern.
4. Revise the tire calibration using the Scan Tool. Refer to Scan Tool Diagnostics.
5. Return to A Diagnostic System Check (310 ABS) or A Diagnostic System Check (325 ABS).