Curiosii for ever!
: Car repair manuals for everyone.
Home
>>
Chevy Truck
>>
2000
>>
S10/T10 P/U 2WD L4-2.2L VIN 5 Flex Fuel
>>
Repair and Diagnosis
>>
Diagrams
>>
Electrical Diagrams
>>
Transmission Control Systems
>>
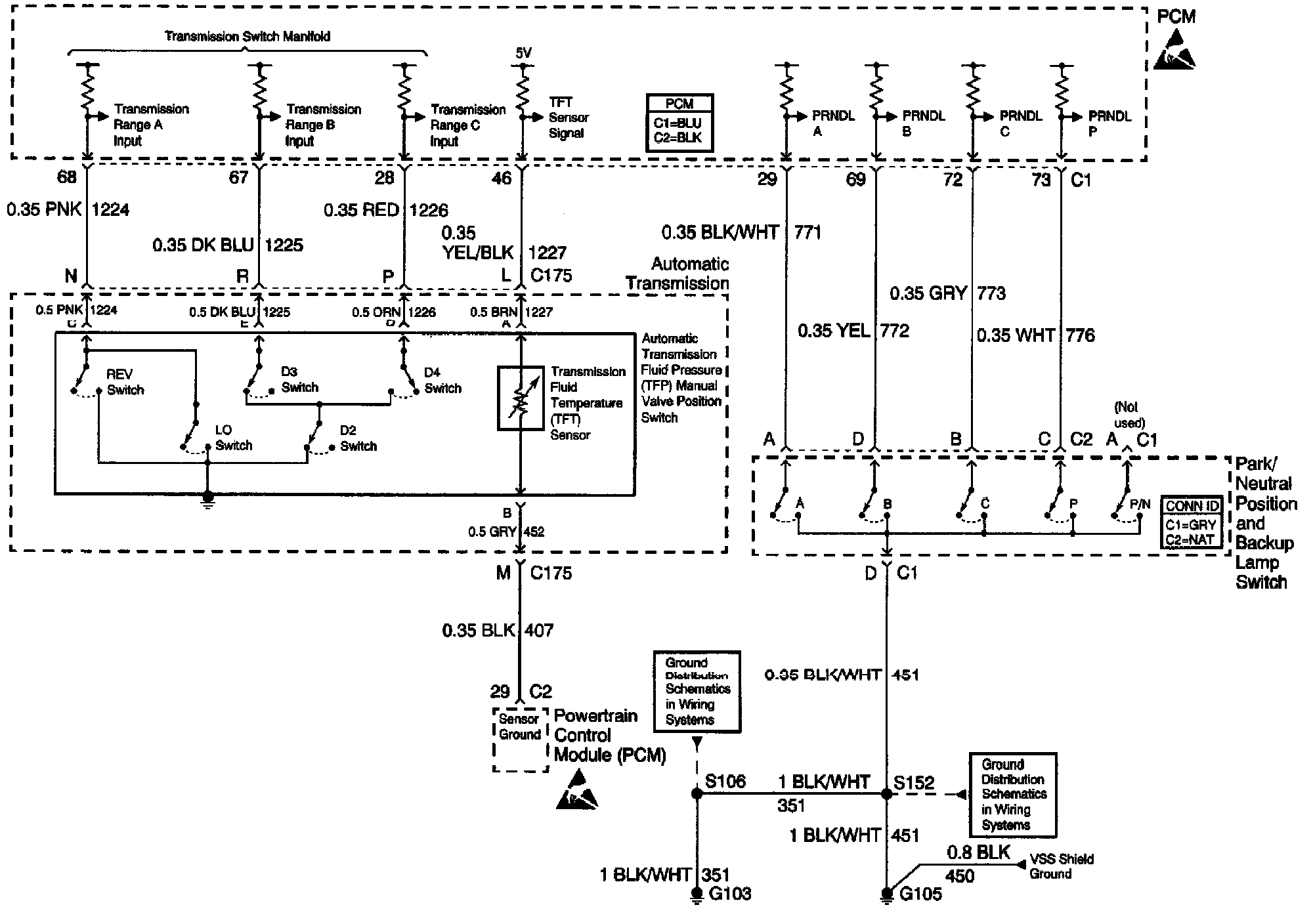
Switch Inputs and PNP Switch
Switch Inputs and PNP Switch