Cruise Control Module: Service and Repair
REMOVAL PROCEDURE
CAUTION: Refer to Battery Disconnect Caution in Service Precautions.
1. Disconnect the negative battery cable.
2. Remove the air cleaner assembly from the vehicle.
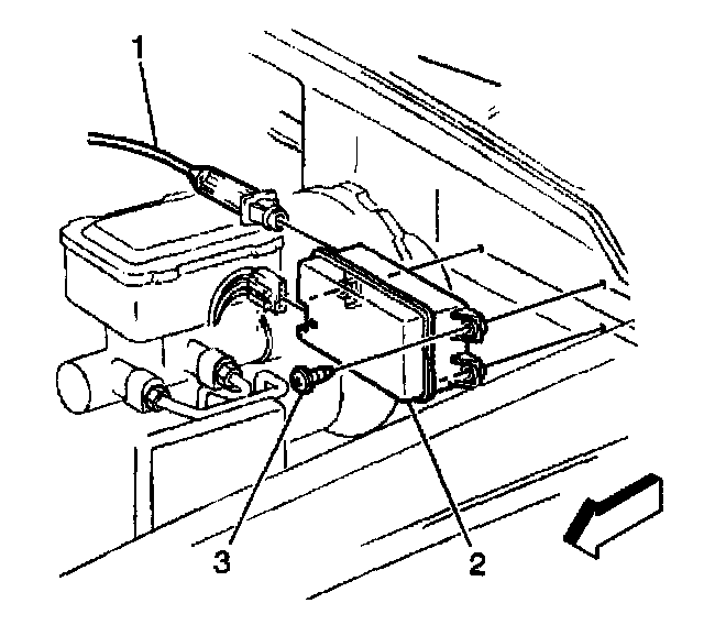
3. Disconnect the electrical connector at the cruise control module.
Remove the screws (3) retaining the cruise control module (2) to the cowl.
4. Disconnect the cruise control cable (1) from the module. Refer to Cruise Control Cable Replacement.
5. Remove the cruise control module from the vehicle.
INSTALLATION PROCEDURE
1. Install the cruise control module (2) to the vehicle.
2. Connect the cruise control cable (1) to the cruise control module.
NOTE: Refer to Fastener Notice in Service Precautions.
3. Install the screws (3) in order to retain the cruise control module to the cowl.
Tighten
Tighten the screws in order to retain the cruise control module bracket to the cowl to 5 N.m (44 lb in).
4. Connect the electrical connector at the cruise control module.
5. Connect the negative battery cable.