Curiosii for ever!: Car repair manuals for everyone.

Generator Replacement

REMOVAL PROCEDURE




1. Disconnect the battery negative cable.
2. Remove the coolant reservoir.
3. Remove the air cleaner assembly.
4. Remove the engine cover.
5. Remove the engine oil and the transmission fluid level indicators.
6. Remove the screw holding the oil level indicator tube and the transmission fluid fill tube to the oil fill tube lower support.
7. Remove the upper section of the oil level indicator tube.




8. Remove the nut holding the transmission fluid fill tube to the rear of the right cylinder head.
9. Remove the upper section of the transmission fluid fill tube.




10. Remove the screw holding the oil fill tube to the oil fill tube lower support.
11. Remove the oil fill tube.




12. Remove the bolts holding the heater outlet and inlet hoses to the oil till tube lower support.




13. Remove the engine wiring harness retainer from the stud at the oil till tube lower support.
14. Remove the stud and the bolt for the oil fill tube lower support.
15. Remove the oil till tube lower support.
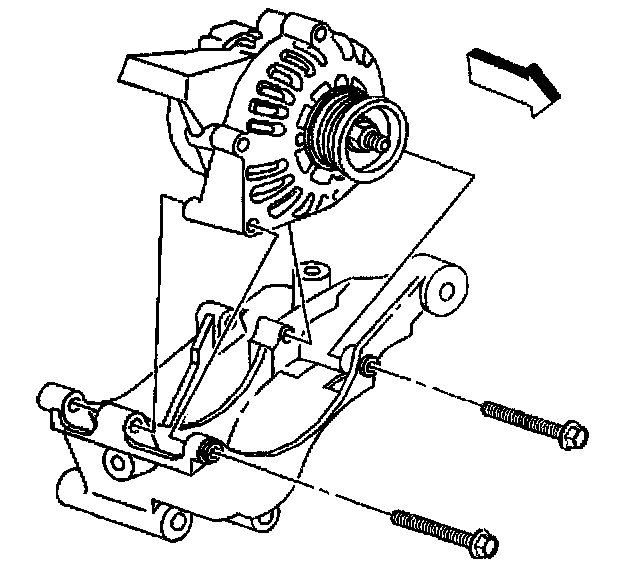
16. Remove the upper tan shroud.
17. Remove the drive belt from the generator.




18. Remove the generator mounting bolts.
19. Remove the generator from the engine.




20. Disconnect the electrical connectors.

INSTALLATION PROCEDURE

NOTE: Refer to Fastener Notice in Service Precautions.




1. Connect the electrical connectors to the generator.

Tighten
Tighten the generator output (BAT) terminal nut to 18 N.m (13 lb ft).




2. Install the generator to the engine.
3. Install the generator mounting bolts.

Tighten
- Tighten the generator front mounting bolts to 50 N.m (37 lb ft).
- Tighten the generator rear mounting bolt to 25 N.m (18 lb ft).

4. Install the drive belt to the generator.
5. Install the upper fan shroud. Refer to Fan Shroud Replacement in Engine Cooling.




6. Install the oil fill tube lower support, the bolt and the stud.

Tighten
Tighten the oil till tube lower support stud and the bolt to 25 N.m (18 lb ft).

7. Install the engine wiring harness retainer on the stud.




8. Install the heater inlet and outlet hose brackets and the bolts to the oil till tube lower support.

Tighten
Tighten the heater hose bracket bolts to 5 N.m (44 lb in).




9. Install the oil till tube into the right valve rocker arm cover.
10. Install the screw holding the oil till tube to the oil till tube lower support.




11. Install the transmission fluid fill upper tube in the lower tube.
12. Install the nut holding the transmission fluid fill tube to the rear of the right cylinder head.

Tighten
Tighten the transmission fluid fill tube nut to 10 N.m (88 lb in).




13. Apply sealer GM P/N 12346004, or equivalent on the area of the upper section of the oil level indicator tube where it fits into the lower section.
14. Install the upper section of the oil level indicator tube into the lower section.
15. Install the bolt holding the oil level indicator tube and the transmission fluid fill tube to the oil fill tube lower support.

Tighten
Tighten the oil level indicator tube and the transmission fluid fill tube to lower support bolt to 5 N.m (44 lb in).

16. Install the engine oil level indicator and the transmission fluid level indicator.
17. Install the engine cover.
18. Install the air cleaner assembly.
19. Install the coolant reservoir.
20. Connect the battery negative cable.