Curiosii for ever!: Car repair manuals for everyone.

Air Injection Control Valve: Service and Repair

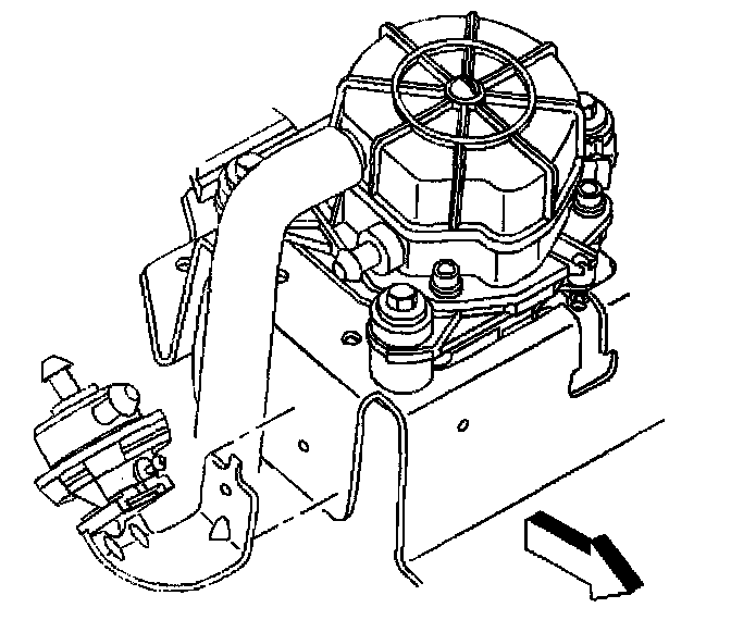
Air Shut-Off Valve Replacement

REMOVAL PROCEDURE

CAUTION: Refer to Battery Disconnect Caution in Service Precautions.




1. Disconnect the negative battery cable.
2. Remove the inlet and outlet hoses from the air shut off valve.




3. Disconnect the vacuum hose from the air shut off valve.




4. Remove the air shut off valve retainer screw.




5. Remove the air shut off valve from the air pump.

INSTALLATION PROCEDURE




1. Install the air shut off valve on the air pump.




2. Install the air shut off valve retainer screw.




3. Connect the vacuum- hose t6 the air shut off valve.




4. Install the inlet and outlet hoses on air shut off valve