Curiosii for ever!
: Car repair manuals for everyone.
Home
>>
Chevy Truck
>>
2000
>>
Express 1/2 Ton Van V8-5.7L VIN R
>>
Repair and Diagnosis
>>
Powertrain Management
>>
Diagrams
>>
Electrical Diagrams
>>
Engine Controls
>>
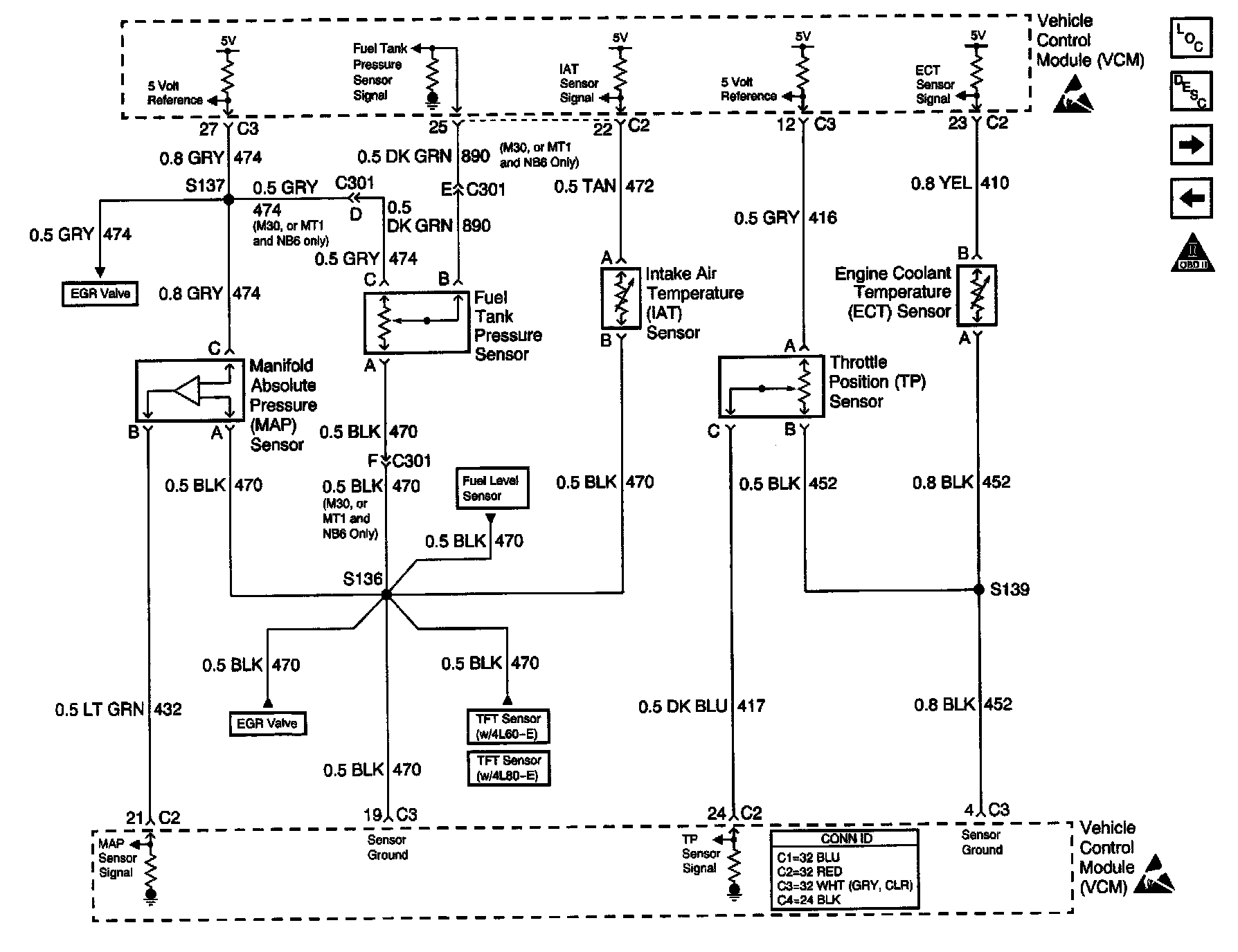
MAP, Fuel Tank Pressure Sensor, IAT, TP Sensor, ECT
MAP, Fuel Tank Pressure Sensor, IAT, TP Sensor, ECT
Engine Controls Schematics: Sensor Controls - MAP, Fuel Tank Pressure Sensor, IAT, TP Sensor, ECT: