Curiosii for ever!: Car repair manuals for everyone.

Transmission Position Sensor/Switch: Service and Repair

Removal Procedure





1. Apply the parking brake.
2. Shift the transmission into neutral.
3. Remove the nut securing the transmission control lever to the manual shaft.
4. Remove the transmission control lever from the manual shaft.
5. Disconnect the wiring harness connector from the park/neutral position switch.
6. Remove two bolts securing the park/neutral position switch to the transmission.
7. Remove the park/neutral position switch from the manual shaft.

Installation Procedure

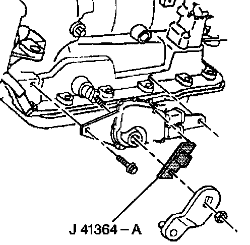
^ Tools Required
- J 41364-A Neutral Position Adjustment Tool.

1. If the park/neutral position switch did not slide off the manual shaft, file the outer edge of the manual shaft in order to remove any burrs.
2. Install the switch to the transmission manual shaft by aligning the switch hub flats with the manual shaft flats.
3. Slide the switch onto the transmission manual shaft until the switch mounting bracket contacts the mounting bosses on the transmission.
4. Install the switch to the transmission with two bolts.
5. Position the J 41364-A onto the park/neutral position switch. Ensure that the two slots on the switch where the manual shaft is inserted are lined up with the lower two tabs on the tool.





Notice: Refer to Fastener Notice in Service Precautions.

6. Rotate the tool until the upper locator pin on the tool is lined up with the slot on the top of the switch.
^ Tighten the bolts securing the switch to 28 Nm (21 ft. lbs.).
7. Remove the J 41364-A from the switch.
8. Install the wiring harness connector to the switch.





9. Install the transmission control lever to the manual shaft with the nut.
^ Tighten the control lever nut to 28 Nm (21 ft. lbs.).
10. Lower the vehicle.
11. Connect the negative battery cable.
12. Check the switch for proper operation. The engine must start in the P (Park) or N (Neutral) positions only. If adjustment is required, refer to Park/Neutral Position Switch Adjustment.