Curiosii for ever!: Car repair manuals for everyone.

A/C Compressor Control Circuit Diagnosis

Diagnostic Chart (Part 1 Of 3):




Diagnostic Chart (Part 2 Of 3):




Diagnostic Chart (Part 3 Of 3):




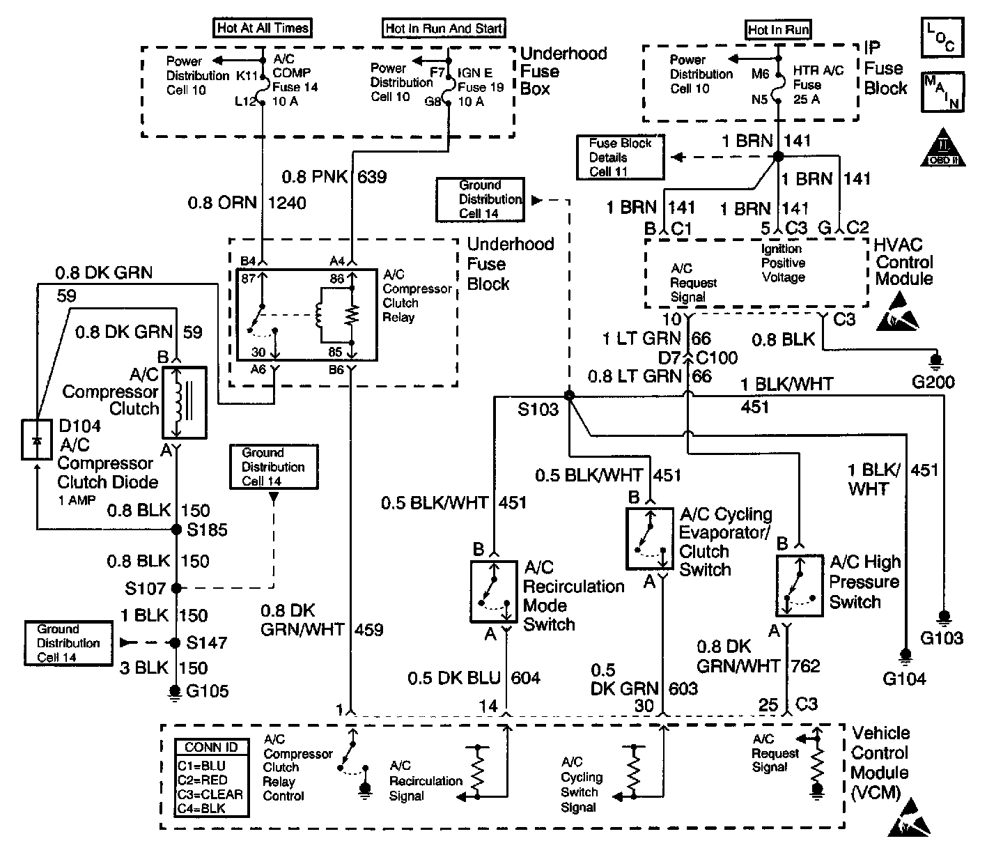
Schematic:




CIRCUIT DESCRIPTION
The Vehicle Control Module (VCM) control of the AC clutch improves idle quality and performance by performing the following conditions:
^ Delaying clutch engagement until the idle speed is increased
^ Releasing the clutch when the idle speed is too low
^ Providing additional fuel at the instant the clutch is applied

The additional fuel smooths the cycling of the compressor.

Turning the air conditioning ON supplies battery voltage through the pressure switches to the VCM. When the VCM receives the voltage on the A/C request signal, the NC enable relay circuit is grounded. The A/C compressor clutch then engages.

DIAGNOSTIC AIDS

Refer to Cooling Insufficient - A/C Inoperative in Heater, Ventilation and Air Conditioning for an insufficient cooling condition.

If the air conditioning system seems to be operating correctly at this time, check the following:

An intermittent may be caused by any of the following conditions:
^ A poor connection
^ Rubbed through wire insulation
^ A broken wire inside the insulation Thoroughly check any circuitry that is suspected of causing the intermittent complaint. Refer to Testing for Intermittent and Poor Connections in Diagrams If a repair is necessary, refer to Wiring Repairs or Connector Repairs in Diagrams.

TEST DESCRIPTION
The numbers below refer to the step numbers on the diagnostic table.
1. Checks for low refrigerant as the cause for no A/C.
15. The A/C request signal circuit consists of the HVAC control assembly, the NC high pressure cutout switch, and related wiring.