Curiosii for ever!
: Car repair manuals for everyone.
Home
>>
Chevy Truck
>>
2000
>>
C Tahoe 2WD V8-5.7L VIN R
>>
Repair and Diagnosis
>>
Heating and Air Conditioning
>>
Diagrams
>>
Electrical Diagrams
>>
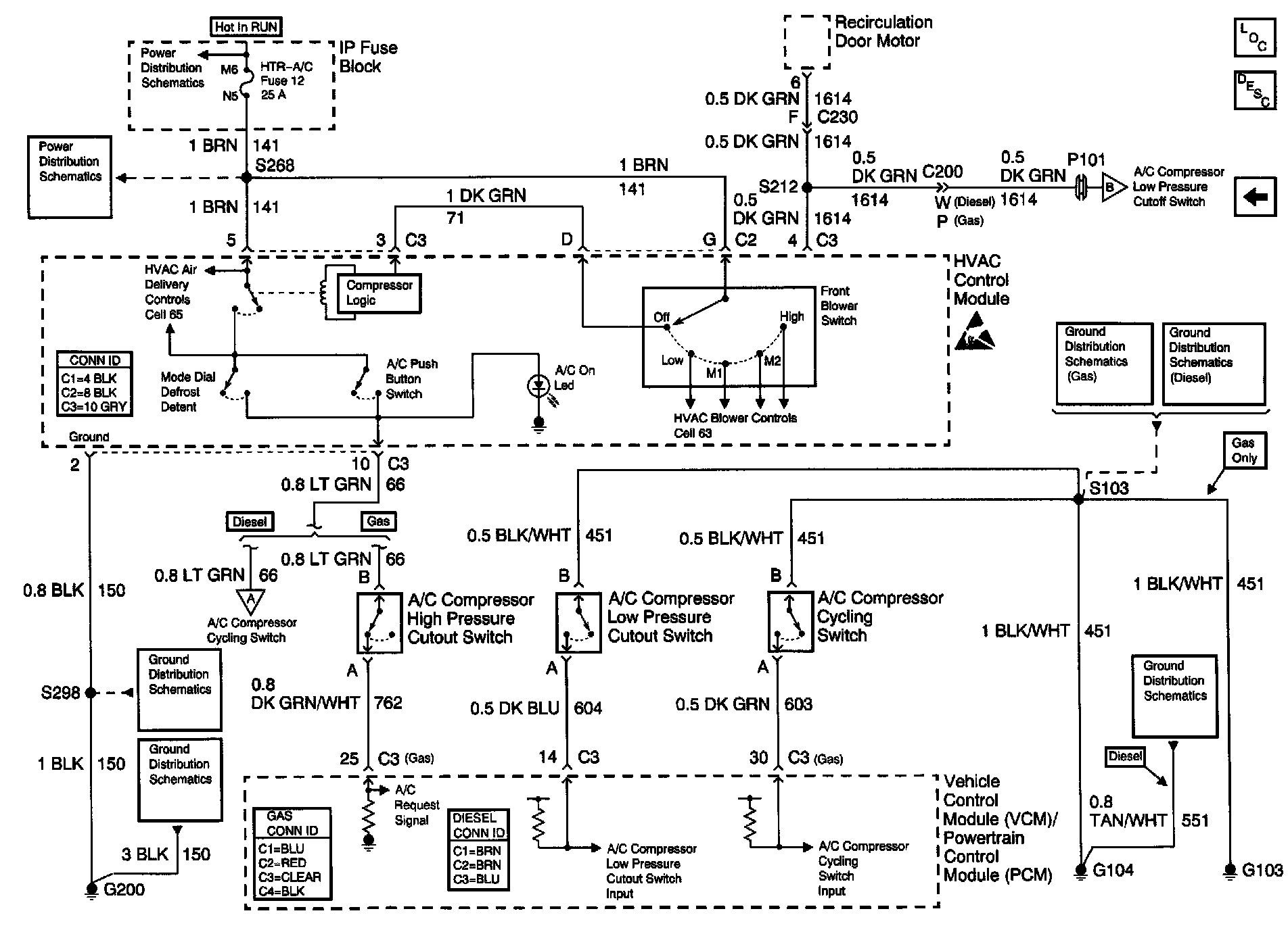
Control Module
Control Module
HVAC Compressor Control Schematics: HVAC Control Module: