Curiosii for ever!
: Car repair manuals for everyone.
Home
>>
Chevy Truck
>>
2000
>>
C Tahoe 2WD V8-4.8L VIN V
>>
Repair and Diagnosis
>>
Diagrams
>>
Electrical Diagrams
>>
Suspension
>>
Suspension Control Schematics
>>
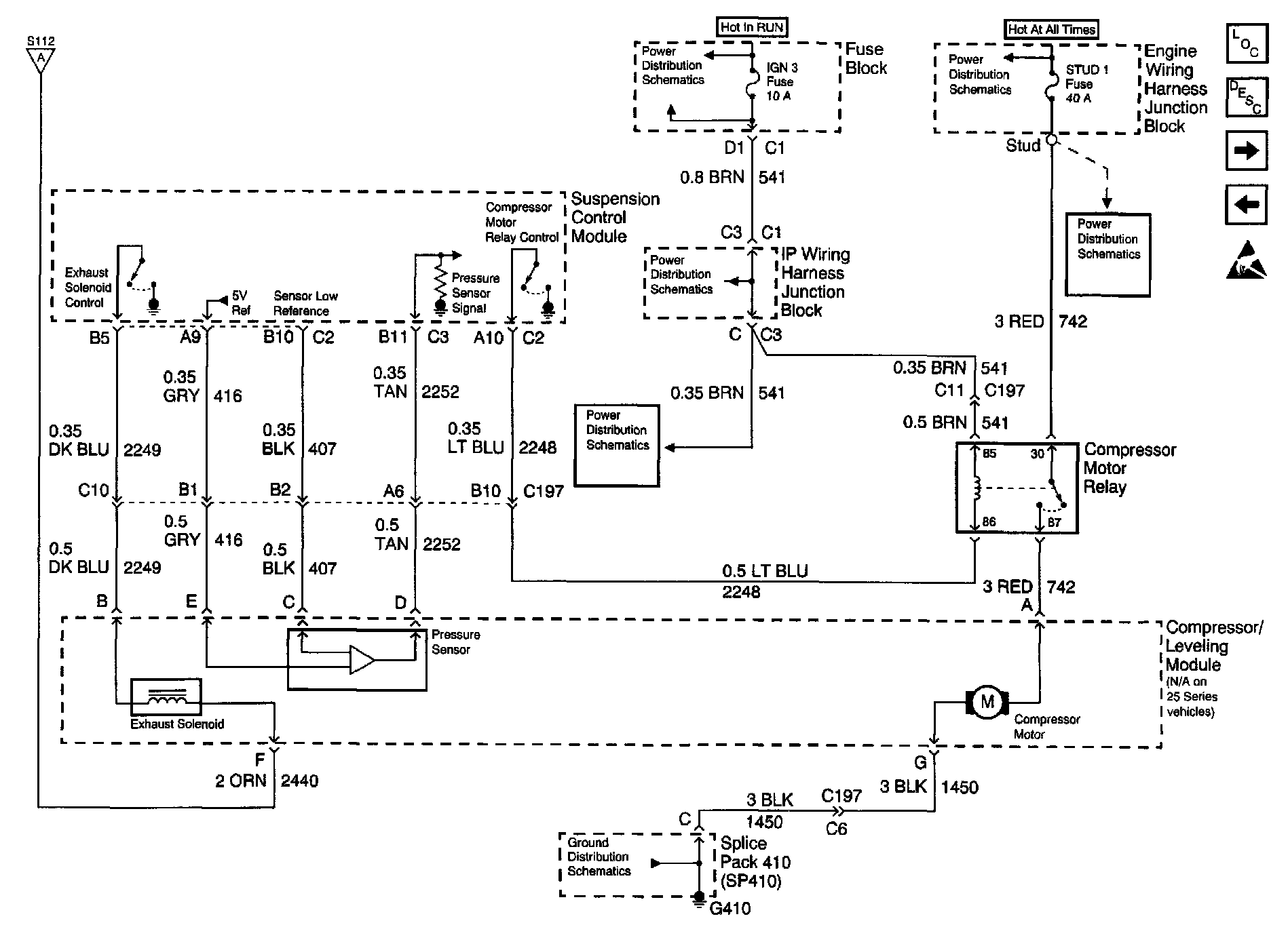
Fuse Block, Compressor Levelling Module Suspension CNTRL Module
Fuse Block, Compressor Levelling Module Suspension CNTRL Module
Suspension Controls Schematics: Fuse Block, Compressor Levelling Module, Suspension Control Module: