Air Flow Meter/Sensor: Service and Repair
REMOVAL PROCEDUREIMPORTANT: Take care when handling the Mass Air Flow Or Intake Air Temperature (MAF-IAT) sensor. Do not dent, puncture, or otherwise damage the Honeywell located at the air inlet end of the MAF-IAT. Do not touch the sensing elements or allow anything including cleaning solvents and lubricants to come in contact with them. Use a small amount of a non-silicone based lubricant, on the air duct only, to aid in installation. Do not drop or roughly handle the MAF-IAT sensor.
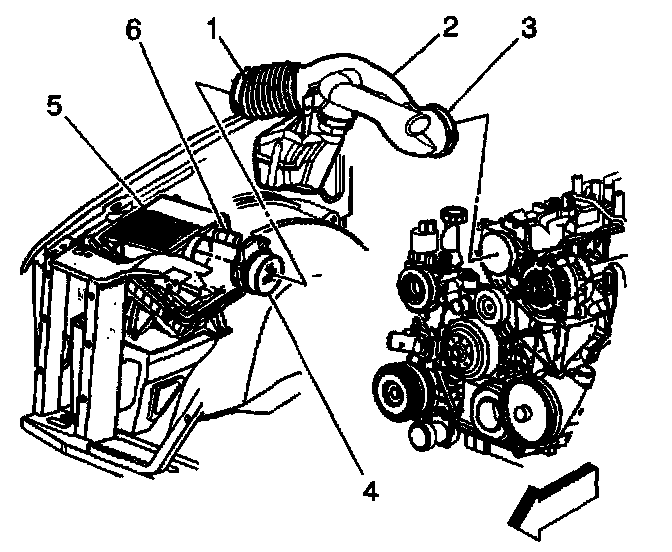
1. Loosen the clamps (1,3) at the MAF-IAT sensor (4) and at the throttle body.
2. Remove the air intake duct (2) from the MAF-IAT sensor and the throttle body.
3. Disconnect the MAF/IAT sensor electrical connector.
4. Loosen the clamp securing the MAF-IAT (4) sensor to the air cleaner housing (5).
5. Remove the MAF-IAT (4) sensor from the air cleaner assembly (5).
INSTALLATION PROCEDURE
IMPORTANT: The embossed arrow on the MAF-IAT sensor indicates the proper air flow direction. The arrow must point toward the engine.
1. Locate the air flow direction arrow (2) on the MAF-IAT sensor.
2. Install the MAF-IAT sensor (4) on to the air cleaner housing (5).
3. Tighten the clamp securing the MAF-IAT (4) sensor to the air cleaner housing (5).
4. Connect the MAF-IAT electrical connector.
5. Install the air intake duct (2) to the MAF-IAT sensor and the throttle body.
6. Tighten the clamps (1,3) at the MAF-IAT sensor (4) and the throttle body.