Curiosii for ever!: Car repair manuals for everyone.

Compressor Replacement

COMPRESSOR REPLACEMENT

REMOVAL PROCEDURE




1. Remove the air cleaner.
2. Remove the upper half of the tan shroud.
3. Recover the refrigerant from the system. Refer to Refrigerant Recovery and Recharging. Service and Repair
4. Disconnect the electrical connector (1) from the coil.
5. Remove the drive belt.
6. Remove the engine cover.
7. Remove the oil filler tube.




8. Disconnect the electrical connector (2) from the A/C compressor high pressure cutoff switch.




9. Remove the compressor and condenser hose bolt (3) from the compressor.
10. Remove the compressor and condenser hose seal washers.




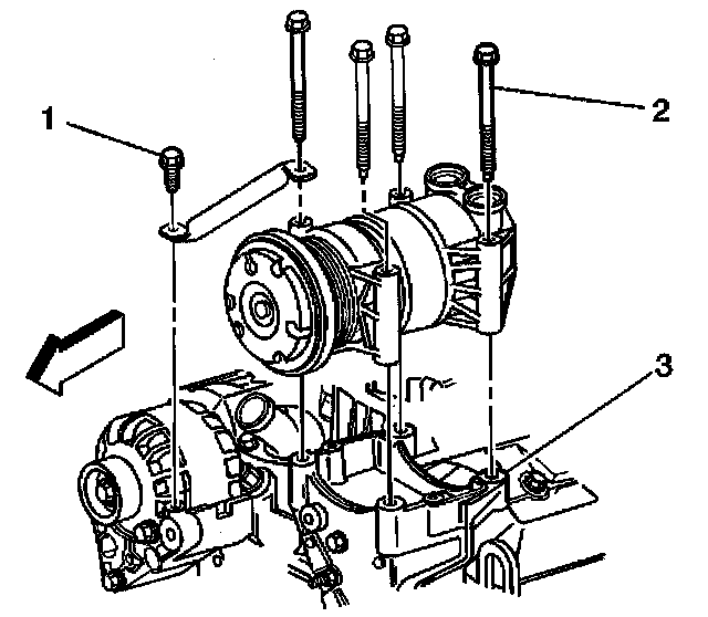
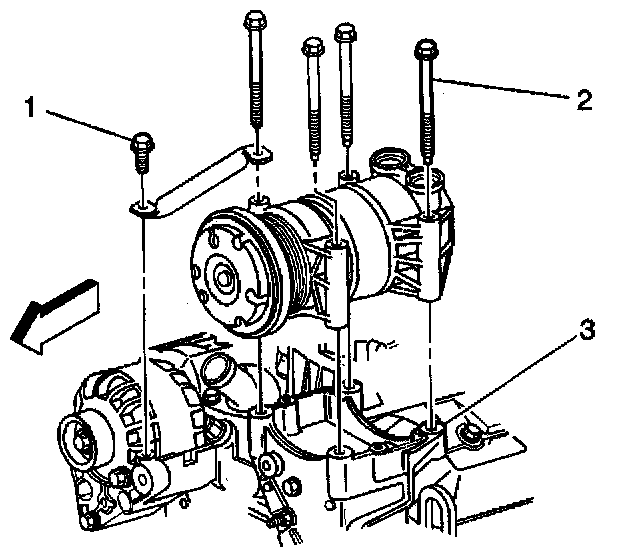
11. Remove the compressor brace bolt (1).
12. Remove the compressor brace.
13. Remove the compressor bolts (2).
14. Remove the compressor from the vehicle.
15. Drain and measure the compressor oil.
16. When replacing the oil in the compressor check for contamination or metal particles in the oil. If contamination is found replace the orifice. Refer to Expansion (Orifice) Tube Replacement. Service and Repair

INSTALLATION PROCEDURE

IMPORTANT: The compressor is shipped without oil.




1. Follow the instruction sheets shipped with the air compressor, if not available, do the following to add oil to the compressor:
1.1. Prior to installing the replacement compressor, drain the refrigerant oil from the removed compressor into a clean, calibrated measuring container.
1.2. Record the amount of oil removed from the old compressor.
1.3. If the amount of oil drained from the old compressor is less then or equal to 60 ml (2 fl oz), add 60 ml (2 fl oz) of new clean oil to the new compressor.
1.4. If the amount of oil drained from the old compressor is greater then 60 ml (2 fl oz) add the same amount of new clean oil to the new compressor.

2. Install the compressor to the vehicle.

NOTE: Refer to Fastener Notice in Service Precautions.

3. Install the compressor bolts (2).

Tighten
Tighten the compressor bolts to 50 N.m (37 lb ft).

4. Install the compressor brace.
5. Install the compressor brace bolt (1).

Tighten
Tighten the compressor brace bolt to 25 N.m (18 lb ft).

6. Install the compressor and condenser hose seal washers.




7. Install the compressor and condenser hose bolt (3) to the compressor.

Tighten
The compressor and condenser hose bolt (3) to the compressor to 48 N.m (35 lb ft).




8. Connect the electrical connector (2) to the A/C compressor high pressure cutoff switch.




9. Install the oil filler tube.
10. Install the drive belt.
11. Install the engine cover.
12. Connect the electrical connectors (1) to the coil.
13. Evacuate and recharge the refrigerant system. Refer to Refrigerant Recovery and Recharging. Service and Repair
14. Ensure that no leaks exist in the system. Refer to Leak Testing. Leak Testing
15. Install the upper half of the fan shroud.
16. Install the air cleaner.